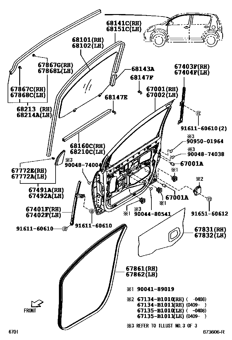
Toyota PASSO — FRONT DOOR PANEL & GLASS

67001PANEL SUB-ASSY, FRONT DOOR, RH
67001ACUSHION, FRONT DOOR PANEL
67002PANEL SUB-ASSY, FRONT DOOR, LH
67401FFRAME SUB-ASSY, FRONT DOOR, FRONT LOWER RH
67402FFRAME SUB-ASSY, FRONT DOOR, FRONT LOWER LH
67403FFRAME SUB-ASSY, FRONT DOOR, REAR LOWER RH
67404FFRAME SUB-ASSY, FRONT DOOR, REAR LOWER LH
67491AGARNISH, FRONT DOOR LOWER FRAME BRACKET, RH
67492AGARNISH, FRONT DOOR LOWER FRAME BRACKET, LH
67772ACAP, FRONT DOOR TRIM RETAINER
67772ECAP, FRONT DOOR TRIM RETAINER
67831COVER, FRONT DOOR SERVICE HOLE, RH
67832COVER, FRONT DOOR SERVICE HOLE, LH
67861WEATHERSTRIP, FRONT DOOR, RH
67862WEATHERSTRIP, FRONT DOOR, LH
67867CRETAINER, FRONT DOOR WEATHERSTRIP, RH
67867GRETAINER, DOOR WEATHERSTRIP, RH
67868CRETAINER, FRONT DOOR WEATHERSTRIP, LH
67868LRETAINER, DOOR WEATHERSTRIP, LH
68101GLASS SUB-ASSY, FRONT DOOR, RH
68102GLASS SUB-ASSY, FRONT DOOR, LH
68141CRUN, FRONT DOOR GLASS, RH
68143ARUN, FRONT DOOR GLASS, NO.2
68147ESTOP, FRONT DOOR GLASS, UPPER
68147FSTOP, FRONT DOOR GLASS, UPPER
68151CRUN, FRONT DOOR GLASS, LH
68160CWEATHERSTRIP ASSY, FRONT DOOR GLASS, OUTER RH
68210CWEATHERSTRIP ASSY, FRONT DOOR GLASS, OUTER LH
68213WEATHERSTRIP, FRONT DOOR WINDOW, OUTER RH
68214AWEATHERSTRIP, FRONT DOOR WINDOW, OUTER LH
67134B1010PAD, FRONT DOOR OUTER PANEL, RH
main67134-B1010
67134B1011PAD, FRONT DOOR OUTER PANEL, RH
main67134-B1011
67135B1010EXTENSION, REAR DOOR OUTSIDE REINFORCE, RH
main67135-B1010
67135B1011EXTENSION, REAR DOOR OUTSIDE REINFORCE, RH
main67135-B1011
9004189019
main90041-89019
9004480541
main90044-80541
9004874004
main90048-74004
9004874038
main90048-74038
9095001964
main90950-01964
9161160610
main91611-60610
9165160612
main91651-60612
41 parts on this diagram · 4 diagrams in section
FRONT DOOR PANEL & GLASS for Toyota PASSO
This section contains 55 genuine Toyota parts for the FRONT DOOR PANEL & GLASS system of the Toyota PASSO. Key components include: PANEL SUB-ASSY, FRONT DOOR, RH, CUSHION, FRONT DOOR PANEL, PANEL SUB-ASSY, FRONT DOOR, LH, REAR DOOR PANEL & GLASS, FRAME SUB-ASSY, FRONT DOOR, FRONT LOWER RH.