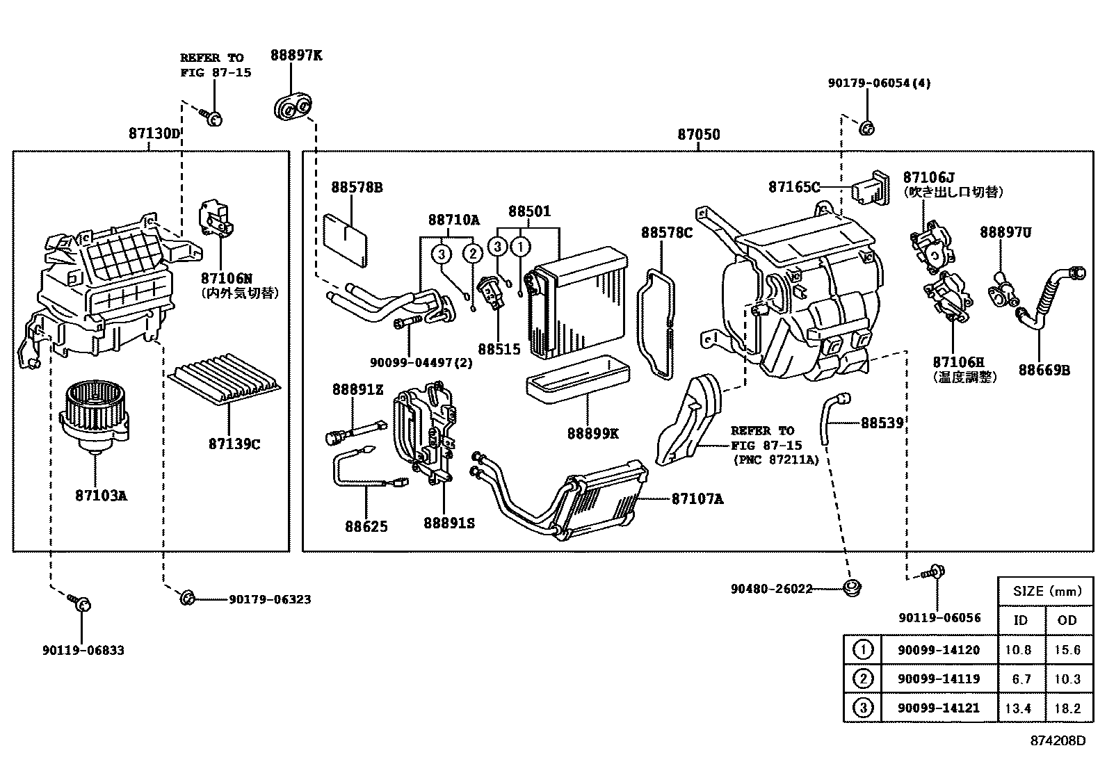
Toyota OPA — HEATING & AIR CONDITIONING - COOLER UNIT

87050RADIATOR ASSY, AIR CONDITIONER
87103AMOTOR SUB-ASSY, COOLING UNIT, W/FAN
87106HSERVO SUB-ASSY, DAMPER(FOR AIRMIX)
87106JSERVO SUB-ASSY, DAMPER(FOR MODE)
87106NSERVO SUB-ASSY, DAMPER(FOR RECIRCULATION)
87107AUNIT SUB-ASSY, HEATER RADIATOR
87130DBLOWER ASSY
87139CFILTER, CLEAN AIR
8715
87165CCONTROL, BLOWER MOTOR
88501EVAPORATOR SUB-ASSY, COOLER, NO.1
88515VALVE, COOLER EXPANSION
88539HOSE, COOLER UNIT DRAIN, NO.1
88578BPACKING, COOLING UNIT, NO.1
sub88578-26060
88578CPACKING, COOLING UNIT, NO.2
88625THERMISTOR, COOLER, NO.1
88669BHOSE, COOLER AIR
88710ATUBE ASSY, AIR CONDITIONER
88891SCOVER, COOLER, NO.1
88891ZBRACKET, COOLER THERMISTOR
88897KGROMMET, (FOR COOLER PIPE)
88897UPIPE, ASPIRATOR
88899KPLATE, COVER
9009904497
main90099-04497
9009914119
main90099-14119
9009914120
main90099-14120
9009914121
main90099-14121
9011906056
main90119-06056
9011906833
main90119-06833
9017906054
main90179-06054
9017906323
main90179-06323
9048026022
main90480-26022
32 parts on this diagram · 2 diagrams in section