Toyota NOAH/VOXY — SPEAKER

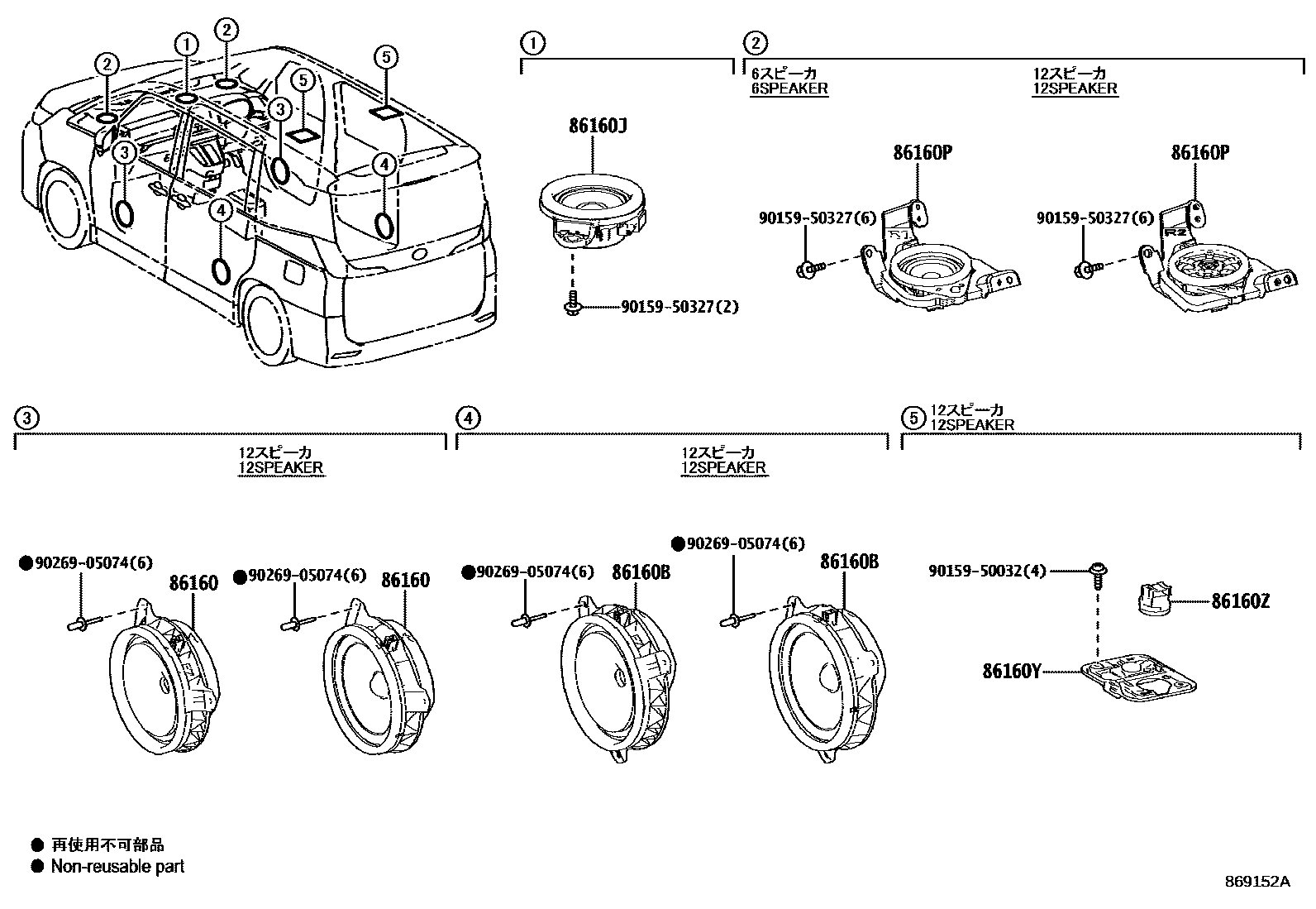
86160SPEAKER ASSY, FRONT NO.1
86160BSPEAKER ASSY, REAR
86160JSPEAKER ASSY, FRONT NO.3
main86150-52100iZWR9#..X;MZRA92..08S..X;MZRA92..07S..(SG,X);MZRA90,95,97..(SG,SZ,X)..CBU202201-202605
86160PSPEAKER ASSY, FRONT NO.2
86160YSPEAKER ASSY, REAR NO.2
86160ZSPEAKER ASSY, REAR NO.3
9015950032
main90159-50032
9015950327
main90159-50327
9026905074
main90269-05074
9 parts on this diagram · 1 diagram in section