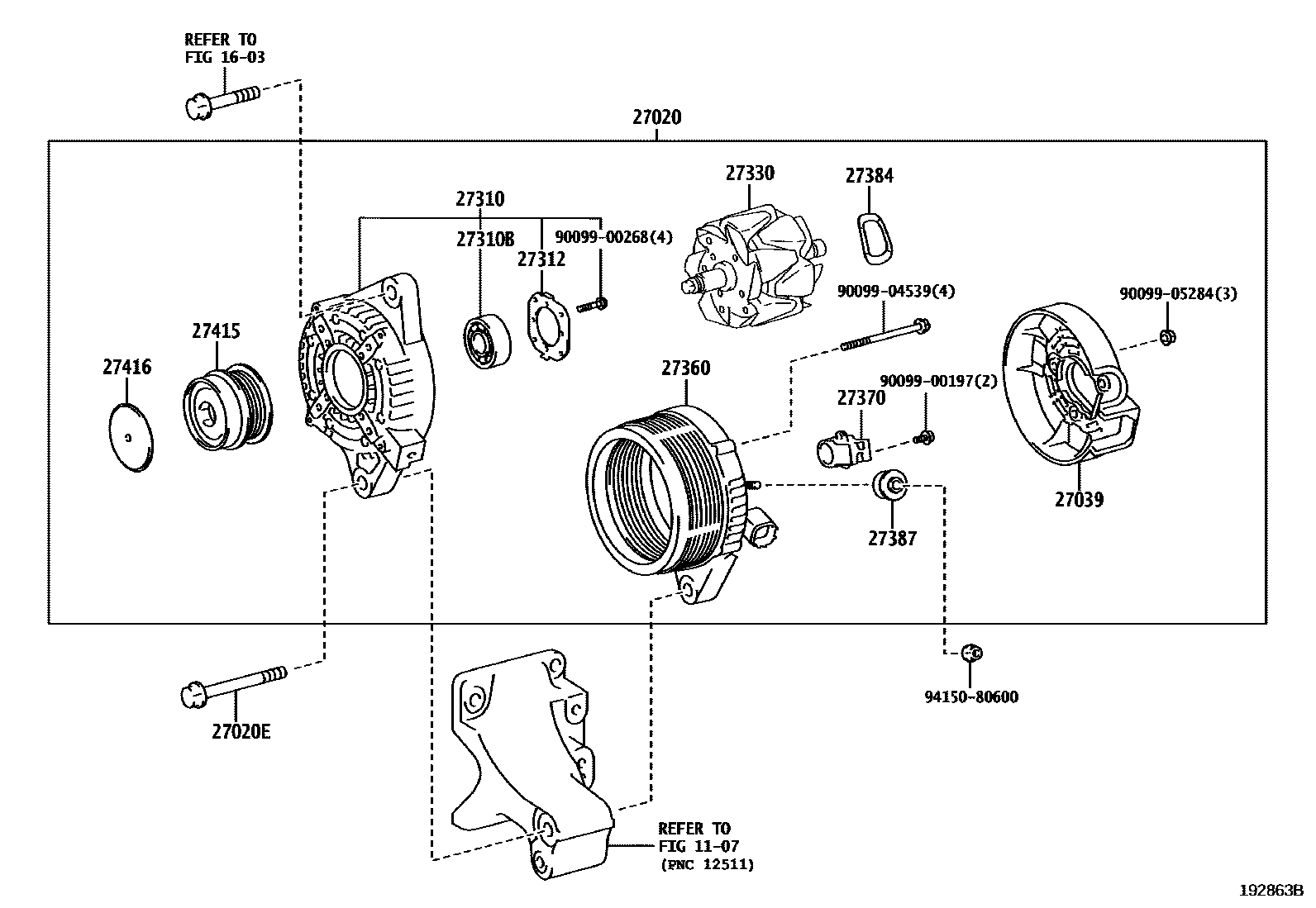
Toyota NOAH/VOXY — ALTERNATOR

1107MOUNTING
1603RADIATOR & WATER OUTLET
27020ALTERNATOR ASSY
27020EBOLT(FOR ALTERNATOR)
27039COVER, ALTERNATOR REAR END
27310FRAME ASSY, DRIVE END, ALTERNATOR
27310BBEARING(FOR ALTERNATOR DRIVE END FRAME)
27312PLATE, RETAINER
27330ROTOR ASSY, ALTERNATOR
27360COIL ASSY, ALTERNATOR
27370HOLDER ASSY, ALTERNATOR BRUSH
27384WASHER
27387INSULATOR, TERMINAL
27415PULLEY, ALTERNATOR W/CLUTCH
27416CAP, ALTERNATOR PULLEY
9009900197
main90099-00197
9009900268
main90099-00268
9009904539
main90099-04539
9009905284
main90099-05284
9415080600
main94150-80600
20 parts on this diagram · 1 diagram in section
ALTERNATOR for Toyota NOAH/VOXY
This section contains 20 genuine Toyota parts for the ALTERNATOR system of the Toyota NOAH/VOXY. Key components include: MOUNTING, RADIATOR & WATER OUTLET, ALTERNATOR ASSY, BOLT(FOR ALTERNATOR), COVER, ALTERNATOR REAR END.