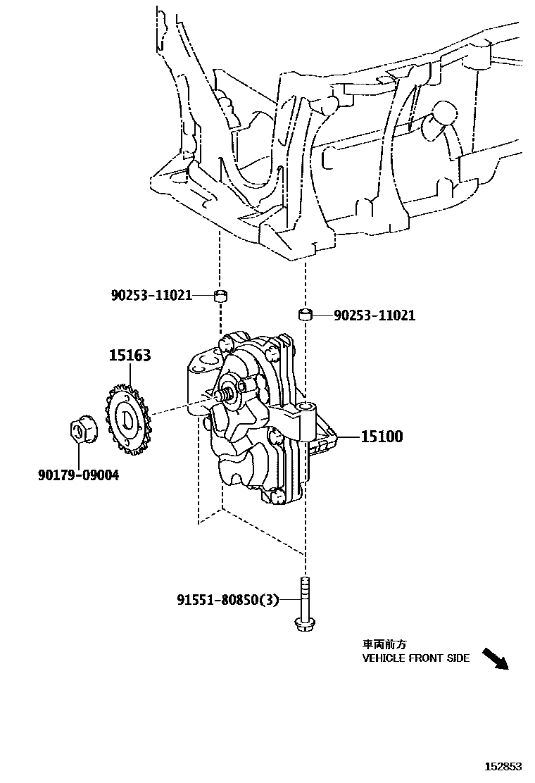
Toyota NOAH/VOXY — ENGINE OIL PUMP

15100PUMP ASSY, OIL
15163GEAR, OIL PUMP DRIVE SHAFT
9017909004
main90179-09004
9025311021
main90253-11021
9155180850
main91551-80850
5 parts on this diagram · 1 diagram in section

5 parts on this diagram · 1 diagram in section