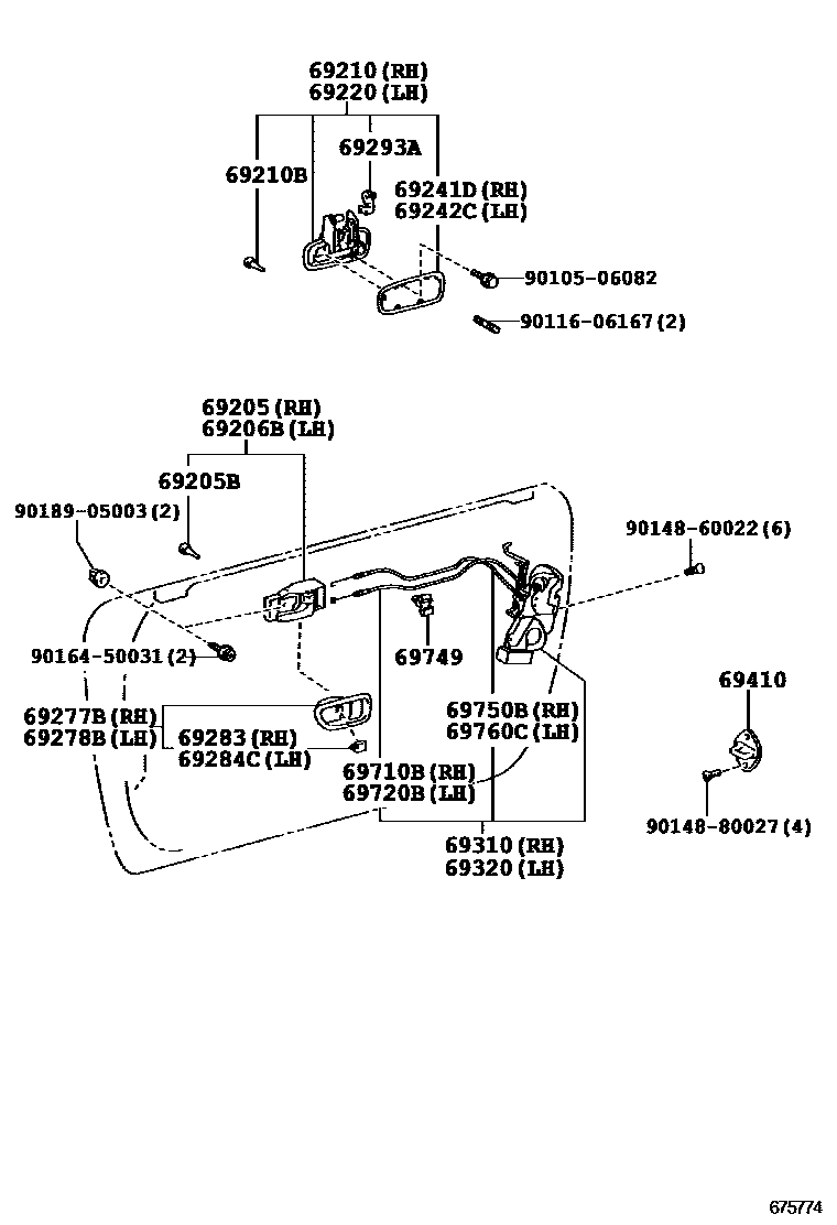
Toyota MR2 — FRONT DOOR LOCK & HANDLE

69205HANDLE SUB-ASSY, FRONT DOOR INSIDE, RH
BLACK,TRIM2#,3#,5#
69205BCUSHION(FOR FRONT DOOR INSIDE HANDLE)
69206BHANDLE SUB-ASSY, FRONT DOOR INSIDE, LH
BLACK,TRIM2#,3#,5#
69210HANDLE ASSY, FRONT DOOR, OUTSIDE RH
SUPER WHITE 2,040
SILVER ME.,1D0
GRAY M.M.,1E3
BLACK,202
SUPER RED 5,3P0
SUPER BLIGHT YELLOW,576
GREEN M.M.,6S1
BLUE MC.,8M6
SILVER M.M.,1E7
DARK GREEN MC.,6R4
LT.BLUE M.M.,8R2
69210BCUSHION(FOR FRONT DOOR OUTSIDE HANDLE)
69220HANDLE ASSY, FRONT DOOR OUTSIDE, LH
SUPER WHITE 2,040
SILVER ME.,1D0
GRAY M.M.,1E3
SILVER M.M.,1E7
BLACK,202
SUPER RED 5,3P0
SUPER BLIGHT YELLOW,576
GREEN M.M.,6S1
BLUE MC.,8M6
DARK GREEN MC.,6R4
LT.BLUE M.M.,8R2
69241DPAD, FRONT DOOR OUTSIDE HANDLE, RH
69242CPAD, FRONT DOOR OUTSIDE HANDLE, LH
69277BBEZEL, FRONT DOOR INSIDE HANDLE, RH
BLACK,TRIM2#,3#,5#
69278BBEZEL, FRONT DOOR INSIDE HANDLE, LH
BLACK,TRIM2#,3#,5#
69283PLUG, FRONT DOOR INSIDE HANDLE BEZEL, RH
BLACK,TRIM2#,3#,5#
69284CPLUG, FRONT DOOR INSIDE HANDLE BEZEL, LH
BLACK,TRIM1#,2#,3#,4#
69293ASNAP, FRONT DOOR OUTSIDE HANDLE
RH
LH
69310LOCK ASSY, FRONT DOOR, RH
69320LOCK ASSY, FRONT DOOR, LH
69410PLATE ASSY, FRONT DOOR LOCK STRIKER
69710BCABLE ASSY, FRONT DOOR LOCK REMOTE CONTROL, RH
69720BCABLE ASSY, FRONT DOOR LOCK REMOTE CONTROL, LH
69749CLAMP, FRONT DOOR LOCK LINK
69750BLINK ASSY, FRONT DOOR INSIDE LOCKING, RH
69760CCABLE ASSY, FRONT DOOR INSIDE LOCKING LH
9010506082
main90105-06082
9011606167
main90116-06167
9014860022
main90148-60022
9014880027
main90148-80027
9016450031
main90164-50031
9018905003
main90189-05003
27 parts on this diagram · 1 diagram in section