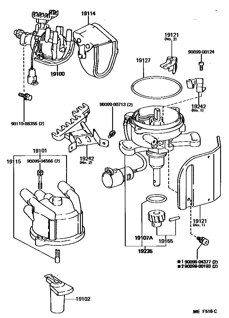
Toyota MR2 — DISTRIBUTOR

19100DISTRIBUTOR ASSY
19101CAP SUB-ASSY, DISTRIBUTOR
19102ROTOR SUB-ASSY, DISTRIBUTOR
19107ARING, O, DISTRIBUTOR HOUSING
19114COVER, WATER PROOF(FOR DISTRIBUTOR)
19115PIECE, DISTRIBUTOR CAP, CENTER
19121COVER, DUST PROOF
NO.2
NO.1
NO.2
NO.1
19127PACKING, DUST PROOF
19155GEAR, SPIRAL, DISTRIBUTOR
19235HOUSING, DISTRIBUTOR
19242CLAMP, CORD
NO.1
NO.2
9009900124
main90099-00124
9009900193
main90099-00193
9009900713
main90099-00713
9009904377
main90099-04377
9009904566
main90099-04566
9011908355
main90119-08355
17 parts on this diagram · 2 diagrams in section
DISTRIBUTOR for Toyota MR2
This section contains 17 genuine Toyota parts for the DISTRIBUTOR system of the Toyota MR2. Key components include: DISTRIBUTOR ASSY, CAP SUB-ASSY, DISTRIBUTOR, ROTOR SUB-ASSY, DISTRIBUTOR, RING, O, DISTRIBUTOR HOUSING, COVER, WATER PROOF(FOR DISTRIBUTOR).