E
EPC Data

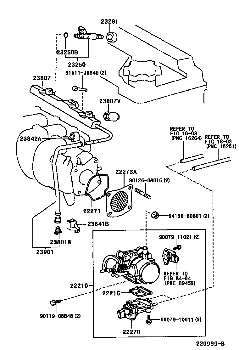
Toyota MR2FUEL INJECTION SYSTEM

Parts diagram
1603
22210BODY ASSY, THROTTLE
main22030-22010i200008-200107
main22030-22020i200107-200208
main22210-22100i199912-200208
22215GASKET, THROTTLE BODY COVER
main22215-7A680i199912-200208
22270VALVE ASSY, IDLE SPEED CONTROL(FOR THLOTTLE BODY)
main22270-22020i199912-200208
main22270-22021i200303-200509
22271GASKET, THROTTLE BODY
main22271-22040i199912-200208
22273AGASKET, THROTTLE BODY, NO.2
main22273-22010i199912-200208
23250INJECTOR ASSY, FUEL
main23209-22040×4i199912-200208
23250BRING, O(FOR FUEL INJECTOR)
main90301-07024×4i199912-200208
23291INSULATOR, INJECTOR VIBRATION
main23291-22020×4i199912-200208
23801WCLIP, FUEL TUBE CONNECTOR
main90923-07010i199912-200208
23807PIPE SUB-ASSY, FUEL DELIVERY
main23807-22040i199912-200208
23807VSPACER, NO.1(FOR DELIVERY PIPE)
main90561-08055×2i199912-200208
23841BCLAMP, FUEL PIPE, NO.1(FOR EFI)
main23841-22030i199912-200208
23842ACLAMP, FUEL PIPE, NO.2(FOR EFI)
main23842-22020i199912-200208
23901TUBE SUB-ASSY, FUEL
main23901-22070i199912-200208
8404
9007910011
9007911021
9011908B48
9012608015
91511J0840
9415080801

22 parts on this diagram · 3 diagrams in section