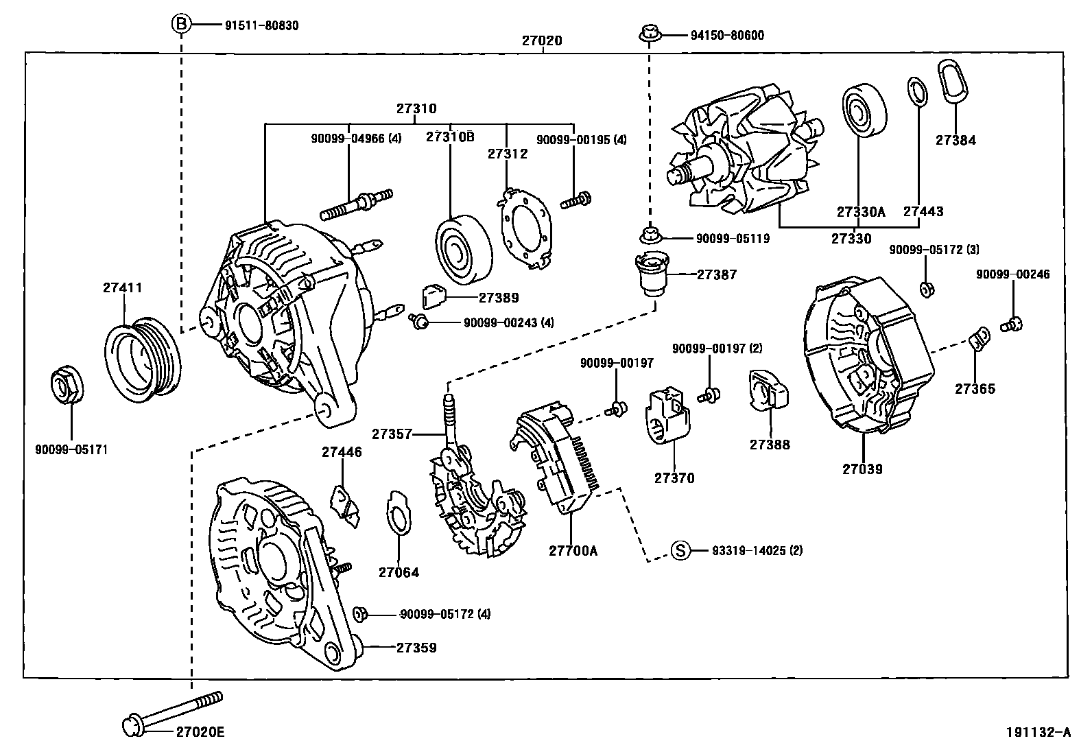
Toyota MR2 — ALTERNATOR

27020ALTERNATOR ASSY
12V 80A
12V 80A
27020EBOLT(FOR ALTERNATOR)
27039COVER, ALTERNATOR REAR END
27064SEAL, ALTERNATOR PLATE
27310FRAME ASSY, DRIVE END, ALTERNATOR
27310BBEARING(FOR ALTERNATOR DRIVE END FRAME)
27312PLATE, RETAINER
27330ROTOR ASSY, ALTERNATOR
27330ABEARING(FOR ALTERNATOR ROTOR)
27357HOLDER, ALTERNATOR, W/RECTIFIER
27359FRAME, ALTERNATOR RECTIFIER END
27365PLATE, TERMINAL
27370HOLDER ASSY, ALTERNATOR BRUSH
27384WASHER
27387INSULATOR, TERMINAL
27388COVER, ALTERNATOR BRUSH
27389INSULATOR, TERMINAL
27411PULLEY, ALTERNATOR
27443COVER, ALTERNATOR BEARING
27446CLIP, ALTERNATOR CORD
27700AREGULATOR ASSY, GENERATOR
9009900195
main90099-00195
9009900197
main90099-00197
9009900243
main90099-00243
9009900246
main90099-00246
9009904966
main90099-04966
9009905119
main90099-05119
9009905171
main90099-05171
9009905172
main90099-05172
9151180830
main91511-80830
9331914025
main93319-14025
9415080600
main94150-80600
32 parts on this diagram · 2 diagrams in section
ALTERNATOR for Toyota MR2
This section contains 32 genuine Toyota parts for the ALTERNATOR system of the Toyota MR2. Key components include: ALTERNATOR ASSY, BOLT(FOR ALTERNATOR), COVER, ALTERNATOR REAR END, SEAL, ALTERNATOR PLATE, FRAME ASSY, DRIVE END, ALTERNATOR.