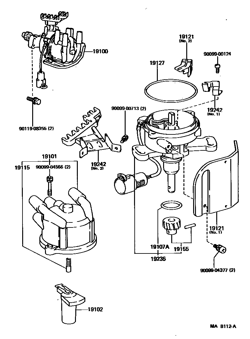
Toyota MR2 — DISTRIBUTOR

19100DISTRIBUTOR ASSY
SINGAPORE SPEC
SINGAPORE SPEC
19101CAP SUB-ASSY, DISTRIBUTOR
19102ROTOR SUB-ASSY, DISTRIBUTOR
19107ARING, O, DISTRIBUTOR HOUSING
19115PIECE, DISTRIBUTOR CAP, CENTER
19121COVER, DUST PROOF
NO.2
NO.1
19127PACKING, DUST PROOF
19155GEAR, SPIRAL, DISTRIBUTOR
19235HOUSING, DISTRIBUTOR
19242CLAMP, CORD
NO.1
NO.2
9009900124
main90099-00124
9009900713
main90099-00713
9009904377
main90099-04377
9009904566
main90099-04566
9011908355
main90119-08355
15 parts on this diagram · 1 diagram in section