E
EPC Data
Pricing
Sign In
Home
›
Toyota
›
MR2
›
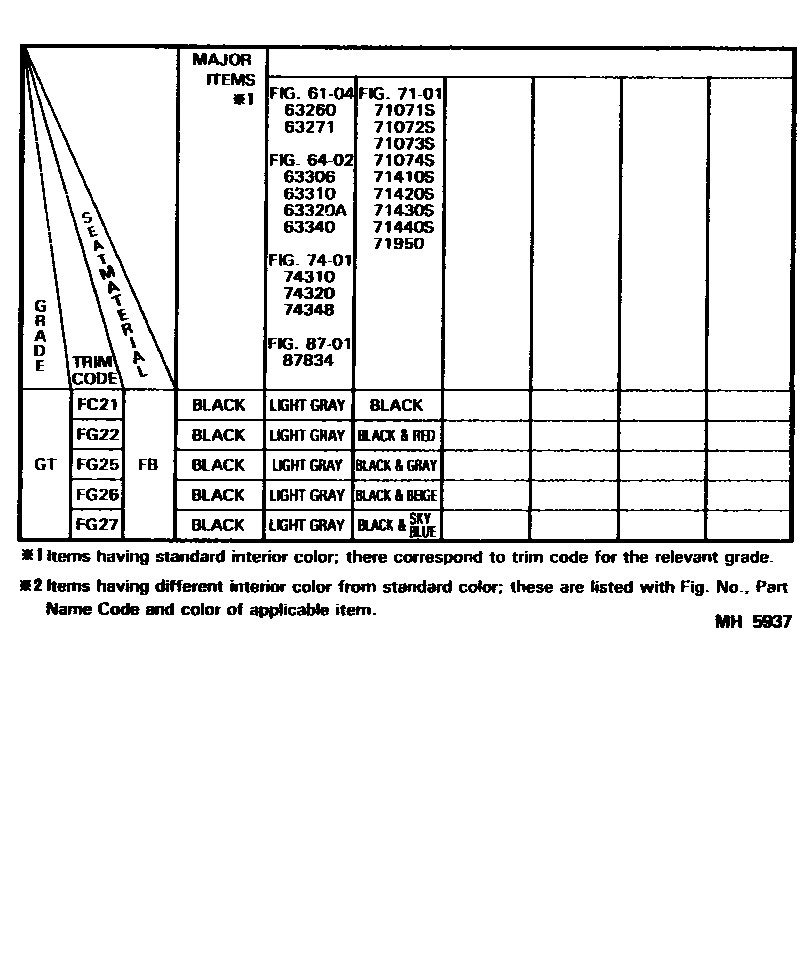
COLOR FINDING TABLE
Toyota MR2 — COLOR FINDING TABLE
0001 1
0002 1
12345
BRACKET, ENGINE STIFFENER BASE
1 parts on this diagram · 2 diagrams in section