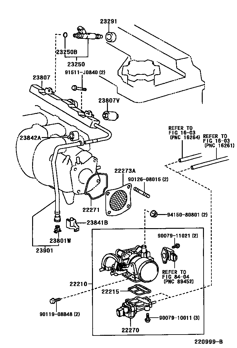
Toyota MR-S — FUEL INJECTION SYSTEM

1603RADIATOR & WATER OUTLET
22210BODY ASSY, THROTTLE
22215GASKET, THROTTLE BODY COVER
22270VALVE ASSY, IDLE SPEED CONTROL(FOR THLOTTLE BODY)
22271GASKET, THROTTLE BODY
22273AGASKET, THROTTLE BODY, NO.2
23250INJECTOR ASSY, FUEL
23250BRING, O(FOR FUEL INJECTOR)
23291INSULATOR, INJECTOR VIBRATION
23801WCLIP, FUEL TUBE CONNECTOR
23807PIPE SUB-ASSY, FUEL DELIVERY
23807VSPACER, NO.1(FOR DELIVERY PIPE)
23841BCLAMP, FUEL PIPE, NO.1(FOR EFI)
23842ACLAMP, FUEL PIPE, NO.2(FOR EFI)
23901TUBE SUB-ASSY, FUEL
8404ELECTRONIC FUEL INJECTION SYSTEM
9007910011
main90079-10011
9007911021
main90079-11021
9011908B48
main90119-08B48
9012608015
main90126-08015
91511J0840
main91511-J0840
9415080801
main94150-80801
22 parts on this diagram · 3 diagrams in section
FUEL INJECTION SYSTEM for Toyota MR-S
This section contains 40 genuine Toyota parts for the FUEL INJECTION SYSTEM system of the Toyota MR-S. Key components include: RADIATOR & WATER OUTLET, CLAMP, HOSE(FOR WATER HOSE), LEVER ASSY, THROTTLE W/SENSOR, BODY ASSY, THROTTLE, GASKET, THROTTLE BODY COVER.