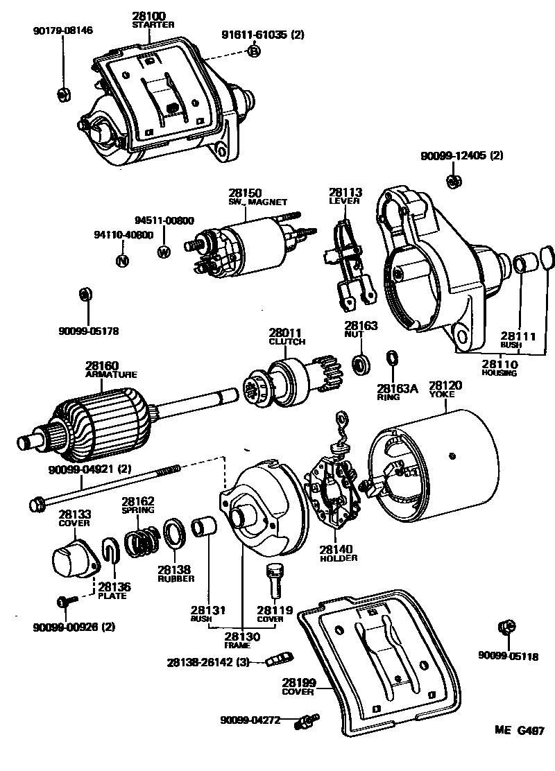
Toyota LITEACE — STARTER

28011CLUTCH SUB-ASSY, STARTER
12V 0.8KW
12V 1.0KW
28100STARTER ASSY
12V 1.0KW,12V 1.0KW
12V 0.8KW,12V 0.8KW
12V 1.4KW,12V 1.4KW
12V 1.0KW,12V 1.0KW
28110HOUSING ASSY, STARTER DRIVE
12V 1.0KW
12V 0.8KW
12V 1.4KW
12V 1.0KW
28111BUSH(FOR STARTER HOUSING)
12V 0.8KW
28113LEVER, STARTER PINION DRIVE
12V 0.8KW
28119COVER, STARTER END FRAME
12V 1.4KW
12V 0.8KW
28120YOKE ASSY, STARTER
12V 1.4KW
12V 1.0KW
12V 0.8KW
28130FRAME ASSY, STARTER COMMUTATOR END
12V 1.0KW
12V 0.8KW
12V 1.4KW
12V 1.0KW
28131BUSH, COMMUTATOR END FRAME
12V 0.8KW
28133COVER, BEARING(FOR END FRAME)
28136PLATE, STARTER LOCK
12V 0.8KW
28138RUBBER(FOR STARTER BEARING COVER)
12V 0.8KW
28140HOLDER ASSY, STARTER BRUSH
12V 0.8KW
12V 1.4KW
12V 1.0KW
28150SWITCH ASSY, MAGNET STARTER
12V 1.0KW
12V 1.0KW
12V 1.4KW
28160ARMATURE ASSY, STARTER
12V 0.8KW
28162SPRING, STARTER BRAKE
12V 0.8KW
28163NUT OR COLLAR, PINION STOP, STARTER
12V 0.8KW
28163ARING, SNAP(FOR STARTER PINION STOP NUT)
12V 0.8KW
28199COVER, STARTER
12V 1.0KW
12V 0.8KW
2813826142RUBBER(FOR STARTER BEARING COVER)
main28138-26142
9009900926
main90099-00926
9009904272
main90099-04272
9009904921
main90099-04921
9009905118
main90099-05118
9009905178
main90099-05178
9009912405
main90099-12405
9017908146
main90179-08146
9161161035
main91611-61035
9411040800
main94110-40800
9451100800
main94511-00800
30 parts on this diagram · 4 diagrams in section