Toyota LITEACE — METER

8202
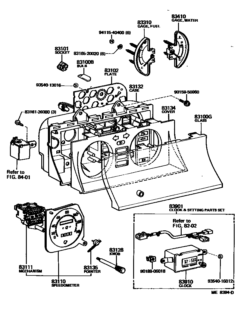
83100BBULB, COMBINATION METER, NO.1
W/GREEN CAP,12V 3W
12V 3.4W,12V 3.4W
83100GGLASS, COMBINATION METER
83101SOCKET SUB-ASSY, COMBINATION METER BULB
83102PLATE SUB-ASSY, COMBINATION METER CIRCUIT, NO.1
main83247-95701iKM20..4F;KM20..SRF..4H..EUR;KM20..HRF..VSP..4H..EUR;KM20..HRF..4H..(05S,07S)..EUR198101-198210
sub83247-95706
83110SPEEDOMETER ASSY
KM
KM,W/SPEED SENSER
MILE & KM
*NSW
KM,W/SPEED SENSER
MILE & KM
main83110-95709iCM20..LHD;KM20..LHD..HRF;KM20..V4D..SRF..4F..02S;KM20..LHD..SRF..(03S,05S,06S,08S,09S)198309-198508
KM
MILE & KM
*NSW
MILE & KM
KM
83111MECHANISM, SPEEDOMETER
KM
KM,W/SPEED SENSER
MILE & KM
83128KNOB, TRIP COUNTER
83132CASE, COMBINATION METER
W/SPEED SENSER
W/SPEED SENSER
83134COVER, COMBINATION METER, NO.1
W/*RHW
main83134-95713iKM20..4F;KM20..LHD..SRF..4H..EUR;KM20..HRF..VSP..4H..EUR;KM20..HRF..4H..(05S,07S)..EUR198008-198210
W/*RHW,*FRG
W/*RHW,*FRG
W/*RHW OR *FRG
W/METER GLASS
83135POINTER, SPEEDOMETER
83310GAGE ASSY, FUEL RECEIVER
83410GAGE ASSY, WATER TEMPERATURE RECEIVER
MIDDLE EAST COUNTRY SPEC
83901CLOCK AND SETTING PARTS SET
83910CLOCK ASSY
8401
8316120380CASE, COMBINATION METER MIRROR, NO.1
main83161-20380
8316520020MIRROR, COMBINATION METER, NO.2
main83165-20020
9015950060
main90159-50060
9018906018
main90189-06018
9354013016
main93540-13016
9354016012
main93540-16012
9411540400
main94115-40400
23 parts on this diagram · 4 diagrams in section