E
ToyotaEPC

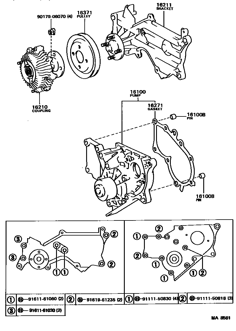
Toyota LITEACE VAN,WAGONWATER PUMP

Parts diagram
16100PUMP ASSY, ENGINE WATER
main16100-19155i198510-198808
main16100-69085i198510-198808
16100BPIN, RING(FOR WATER PUMP SET)
main90253-11021×2i198510-198808
16210COUPLING ASSY, FLUID
main16210-13010i198510-198808
main16210-64010i198510-198808
16211BRACKET, FLUID COUPLING
main16307-64012i198510-198808
16271GASKET, WATER PUMP
main16271-13021i198510-198808
main16271-64010i198510-198808
16371PULLEY, FAN
main16371-13010i198510-198808
main16371-64011i198510-198609
main16371-64030i198609-198808
9017906070
9111150818
9111150830
9161161030
9161161060
9161961235

12 parts on this diagram · 2 diagrams in section

WATER PUMP for Toyota LITEACE VAN,WAGON

This section contains 23 genuine Toyota parts for the WATER PUMP system of the Toyota LITEACE VAN,WAGON. Key components include: PUMP KIT, WATER, PUMP ASSY, ENGINE WATER, PIN, RING(FOR WATER PUMP SET), SEAL SET, WATER PUMP, PLATE, WATER PUMP.