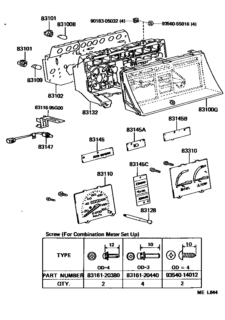
Toyota LITEACE VAN,WAGON — METER

83100BBULB, COMBINATION METER, NO.1
12V 1.2W W/O SOCKET
main99132-12034×9iCM3#..LHD; CM36..RHD; KM3#..LHD; KM30..DLX;KM36..LHD..V4D..02S; KM36..RHD198808-199201
12V 3.4W
83100GGLASS, COMBINATION METER
83101SOCKET SUB-ASSY, COMBINATION METER BULB
12V 1.2W OR 14V 1.4W
main83101-20040×9iCM3#..LHD; CM36..RHD; KM3#..LHD; KM30..DLX;KM36..LHD..V4D..02S; KM36..RHD198808-199201
12V 3.4W
12V 3.4W,W/CAP
83102PLATE SUB-ASSY, COMBINATION METER CIRCUIT, NO.1
*FRG
83109BULB, COMBINATION METER, NO.2
12V3.4W W(GREEN CAP)
83110SPEEDOMETER ASSY
83128KNOB, TRIP COUNTER
83132CASE, COMBINATION METER
83145LENS, METER, NO.1
83145ALENS, METER, NO.2
83145BLENS, METER, NO.3
83145CLENS, METER, NO.4
*FRG
*FRG
83147LAMP, METER NO.1
83310GAGE ASSY, FUEL RECEIVER
8311695G00BRACKET, SPEEDOMETER
main83116-95G00
8316120380CASE, COMBINATION METER MIRROR, NO.1
main83161-20380
8316120440CASE, COMBINATION METER MIRROR, NO.1
main83161-20440
9018305032
main90183-05032
9354014012
main93540-14012
9356055016
main93560-55016
20 parts on this diagram · 4 diagrams in section
METER for Toyota LITEACE VAN,WAGON
This section contains 47 genuine Toyota parts for the METER system of the Toyota LITEACE VAN,WAGON. Key components include: BULB, COMBINATION METER, NO.1, GLASS, COMBINATION METER, SOCKET SUB-ASSY, COMBINATION METER BULB, PLATE SUB-ASSY, COMBINATION METER CIRCUIT, NO.1, BULB, COMBINATION METER, NO.2.