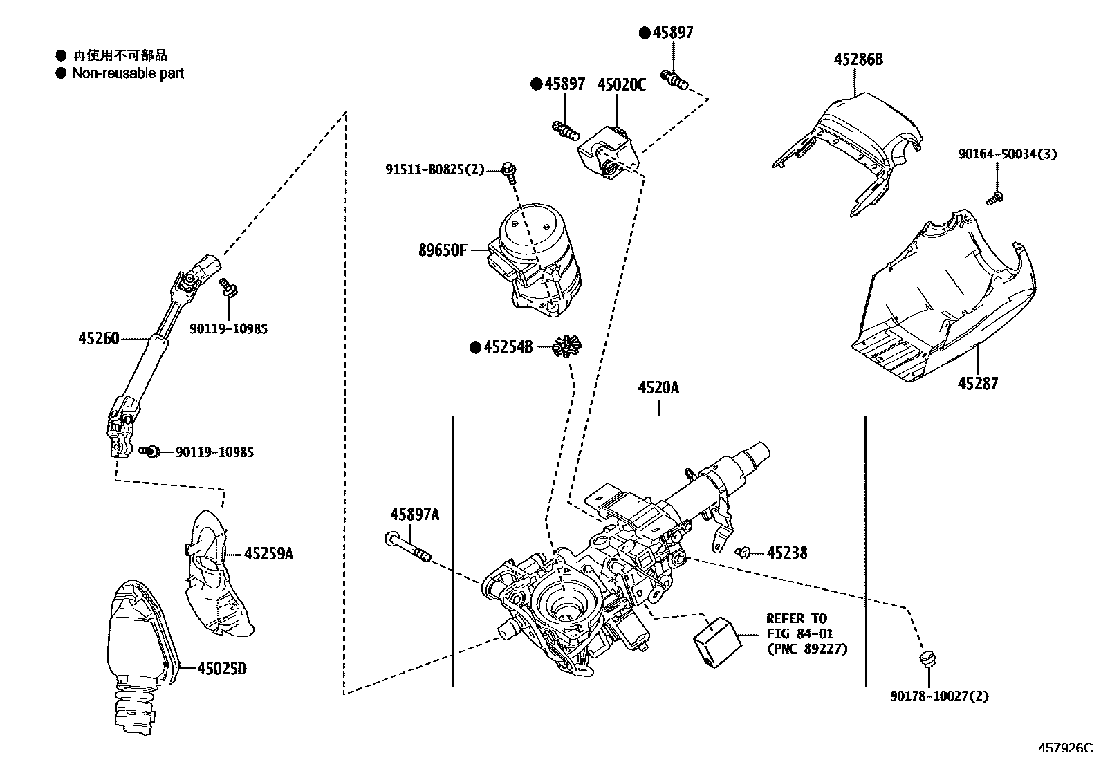
Toyota LEXUS UX300E — STEERING COLUMN & SHAFT

45020CACTUATOR ASSY, STEERING LOCK(W/ECU)
45025DCOVER SUB-ASSY, STEERING COLUMN HOLE, NO.1
4520ACOLUMN SUB-ASSY, ELECTRIC POWER STEERING
45238CLAMP, BOLT(FOR STEERING FLEXIBLE COUPLING)
45254BDAMPER, ELECTRIC POWER STEERING MOTOR SHAFT
45259ASHEET, COLUMN HOLE COVER SILENCER
45260SHAFT ASSY, STEERING INTERMEDIATE, NO.2
45286BCOVER, STEERING COLUMN, UPR
BLACK,TRIM0#,1#,2#,4#,8#
45287COVER, STEERING COLUMN, LWR
BLACK,TRIM0#,1#,2#,4#,8#
45897BOLT, STEERING LOCK SET
45897ABOLT, TILT STEERING PAWL SET
8401
89650FCOMPUTER ASSY, POWER STEERING W/MOTOR
9011910985
main90119-10985
9016450034
main90164-50034
9017810027
main90178-10027
91511B0825
main91511-B0825
17 parts on this diagram · 1 diagram in section