E
EPC Data

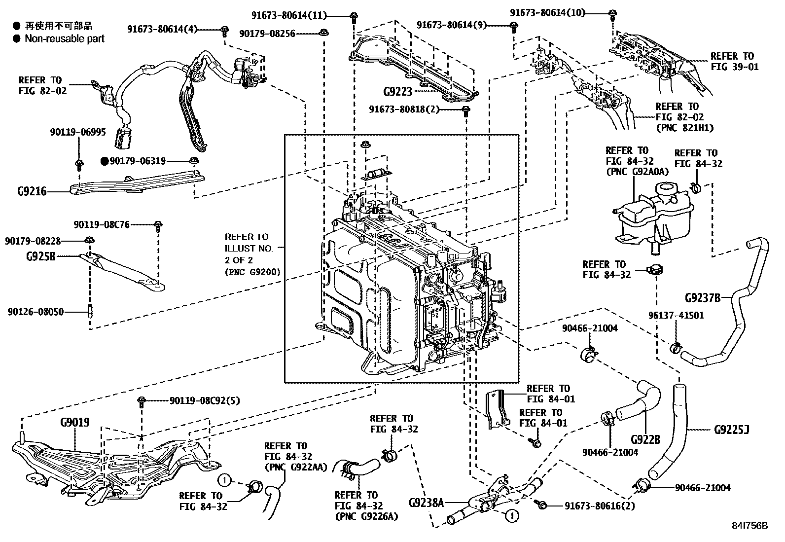
Toyota LEXUS RX450HL/350LHEV INVERTER

Parts diagram
3901
8202
8401
8432
G9019BRACKET SUB-ASSY, INVERTER TRAY
mainG901948010i201712-201908
G9216BRACKET, INVERTER, NO.3
mainG901648010i201712-201908
G9223COVER, INVERTER TERMINAL
mainG922348041i201712-201908
G9225JHOSE, INVERTER COOLING, NO.1
mainG922548050i201712-201908
G922BHOSE, INVERTER COOLING INLET, NO.2
mainG922B48010i201712-201908
G9237BHOSE, INVERTER DRAIN
mainG923748020i201712-201908
G9238APIPE, INVERTER COOLING
mainG923848090i201712-201908
G925BBRACKET, INVERTER, NO.6
mainG925B48050i201712-201908
9011906995
9011908C76
9011908C92
9012608050
9017906319
9017908228
9017908256
9046621004
9167380614
9167380616
9167380818
9613741501

24 parts on this diagram · 2 diagrams in section

Toyota LEXUS RX450HL/350L HEV INVERTER — Parts Diagram | EPC Data