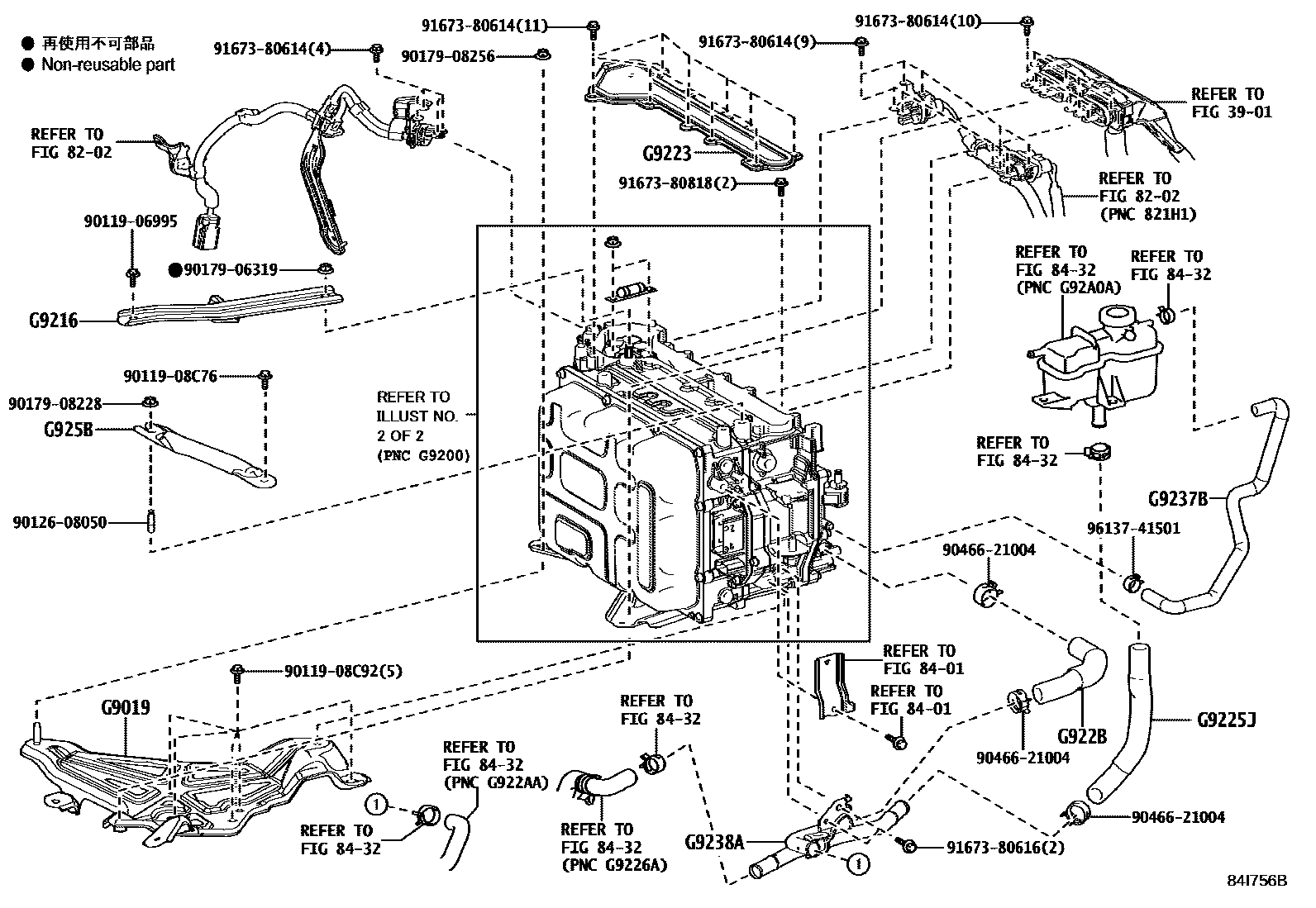
Toyota LEXUS RX450HL/350L — HEV INVERTER

3901
8202
8401
8432
G9019BRACKET SUB-ASSY, INVERTER TRAY
G9216BRACKET, INVERTER, NO.3
G9223COVER, INVERTER TERMINAL
G9225JHOSE, INVERTER COOLING, NO.1
G922BHOSE, INVERTER COOLING INLET, NO.2
G9237BHOSE, INVERTER DRAIN
G9238APIPE, INVERTER COOLING
G925BBRACKET, INVERTER, NO.6
9011906995
main90119-06995
9011908C76
main90119-08C76
9011908C92
main90119-08C92
9012608050
main90126-08050
9017906319
main90179-06319
9017908228
main90179-08228
9017908256
main90179-08256
9046621004
main90466-21004
9167380614
main91673-80614
9167380616
main91673-80616
9167380818
main91673-80818
9613741501
main96137-41501
24 parts on this diagram · 2 diagrams in section