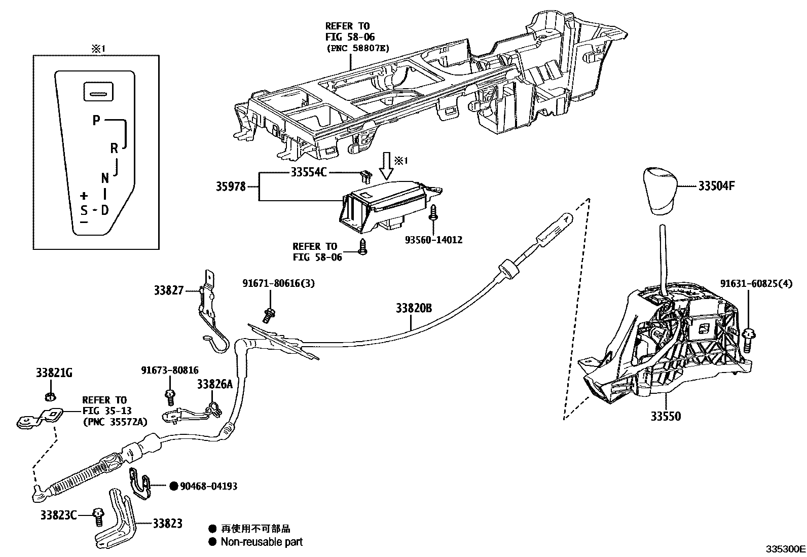
Toyota LEXUS RX450H/350(JPP — SHIFT LEVER & RETAINER

33504FKNOB SUB-ASSY, SHIFT LEVER
BLACK,TRIM2#,4#
BLACK,TRIM00,04,2#,4#,5#,6#
BLACK,TRIM0#,1#,2#,4#,5#
BLACK,TRIM0#,2#,4#,5#,6#
BLACK,TRIM02,1#,2#,4#,5#
NOBLE BROWN,TRIM0#,5#
NOBLE BROWN,TRIM02
NOBLE BROWN,TRIM00,04
33550FLOOR SHIFT ASSY, TRANSMISSION
33554CCOVER, SHIFT LOCK RELEASE BUTTON
33820BCABLE ASSY, TRANSMISSION CONTROL
33821GNUT (FOR TRANSMISSION CONTROL CABLE)
33823BRACKET, TRANSMISSION CONTROL CABLE, NO.1
33823CBOLT (FOR TRANSMISSION CONTROL CABLE BRACKET)
33826ABRACKET, TRANSMISSION CONTROL CABLE, NO.2
33827BRACKET, TRANSMISSION CONTROL CABLE, NO.3
3513
35978INDICATOR, SHIFT POSITION
5806
9046804193
main90468-04193
9163160825
main91631-60825
9167180616
main91671-80616
9167380816
main91673-80816
9356014012
main93560-14012
17 parts on this diagram · 2 diagrams in section