E
EPC Data

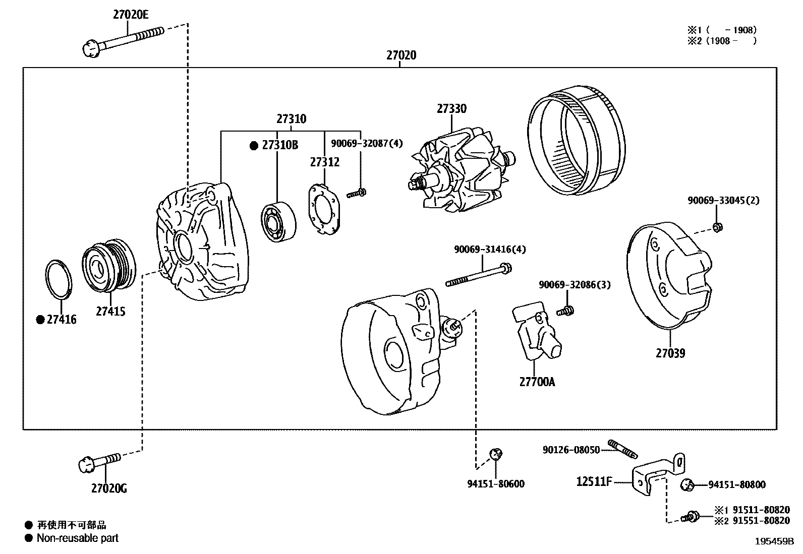
Toyota LEXUS RX SERIESALTERNATOR

Parts diagram
12511FBRACKET, ALTERNATOR, NO.1
main12511-31050i201509-201908
27020ALTERNATOR ASSY
main27060-0P370i201509-201908
12V 150A
main27060-36100i201509-201811
12V 150A
main27060-36101i201812-201908
12V 150A
27020EBOLT(FOR ALTERNATOR)
main91552-81095i201509-201908
27020GBOLT, NO.2(FOR ALTERNATOR)
main91552-81040i201509-201908
27039COVER, ALTERNATOR REAR END
main27039-0P420i201509-201908
main27039-31390i201509-201908
27310FRAME ASSY, DRIVE END, ALTERNATOR
main27310-0P420i201509-201908
main27310-36180i201509-201908
27310BBEARING(FOR ALTERNATOR DRIVE END FRAME)
main90069-40012i201509-201908
main90099-10223i201509-201908
27312PLATE, RETAINER
main27312-0P420i201509-201908
main27312-72100i201509-201908
27330ROTOR ASSY, ALTERNATOR
main27330-0P420i201509-201908
main27330-58460i201509-201908
27415PULLEY, ALTERNATOR W/CLUTCH
main27415-0P010i201509-201908
main27415-0W170i201509-201908
27416CAP, ALTERNATOR PULLEY
main27416-0W050i201509-201908
27700AREGULATOR ASSY, GENERATOR
main27700-0P150i201509-201908
9006931416
9006932086
9006932087
9006933045
9012608050
9151180820
9155180820
9415180600
9415180800

21 parts on this diagram · 2 diagrams in section