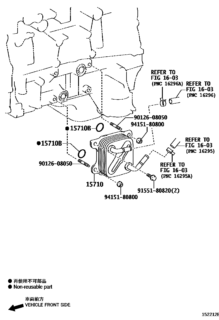
Toyota LEXUS RC SERIES — ENGINE OIL COOLER

15710COOLER ASSY, OIL
15710BRING, O(FOR OIL COOLER)
1603RADIATOR & WATER OUTLET
9012608050
main90126-08050
9155180820
main91551-80820
9415180800
main94151-80800
6 parts on this diagram · 3 diagrams in section
ENGINE OIL COOLER for Toyota LEXUS RC SERIES
This section contains 13 genuine Toyota parts for the ENGINE OIL COOLER system of the Toyota LEXUS RC SERIES. Key components include: COOLER ASSY, OIL, RING, O(FOR OIL COOLER), PIPE, OIL, NO.1, UNION(FOR OIL PIPE), GASKET.