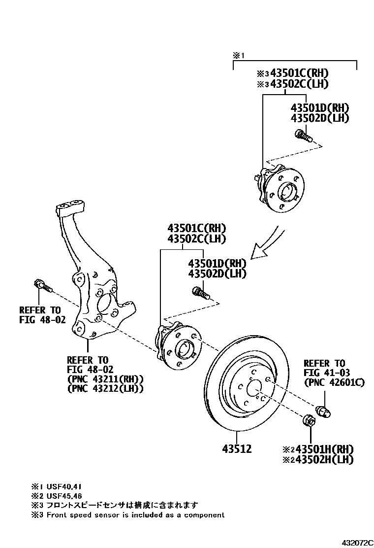
Toyota LEXUS LS460/460L — FRONT AXLE HUB

4103DISC WHEEL & WHEEL CAP
43501CHUB SUB-ASSY, FRONT AXLE, RH
43501DBOLT, HUB (FOR FRONT AXLE RH)
43501HNUT (FOR FRONT AXLE SHAFT RH)
43502CHUB SUB-ASSY, FRONT AXLE, LH
43502DBOLT, HUB (FOR FRONT AXLE LH)
43502HNUT (FOR FRONT AXLE SHAFT LH)
43512DISC, FRONT
4802FRONT AXLE ARM & STEERING KNUCKLE
9 parts on this diagram · 1 diagram in section
FRONT AXLE HUB for Toyota LEXUS LS460/460L
This section contains 9 genuine Toyota parts for the FRONT AXLE HUB system of the Toyota LEXUS LS460/460L. Key components include: DISC WHEEL & WHEEL CAP, HUB SUB-ASSY, FRONT AXLE, RH, BOLT, HUB (FOR FRONT AXLE RH), NUT (FOR FRONT AXLE SHAFT RH), HUB SUB-ASSY, FRONT AXLE, LH.