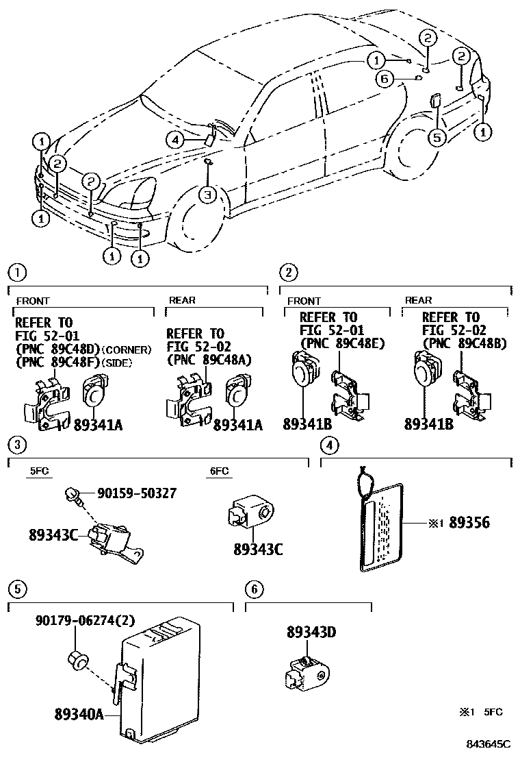
Toyota LEXUS LS430 — CLEARANCE & BACK SONAR

5201FRONT BUMPER & BUMPER STAY
5202REAR BUMPER & BUMPER STAY
89340ACOMPUTER ASSY, CLEARANCE WARNING
89341ASENSOR, ULTRASONIC, NO.1
IVORY PEARL CS.,066
*104,WHITE PEARL CS.,062
*106,SILVER ME.,062
SILVER ME.,1C0
BLACK,202
BORDEAUX MC.,3P2
ROSE M.M.,3P4
BEIGE ME.,4P7
GREEN M.M.,6S5
DARK GREEN M.M.,6S6
DARK BLUE MC.,8P8
LT. BLUE M.M.,8P7
IVORY PEARL CS.,066
*104,WHITE PEARL CS.,062
SILKY WHITE PEARL CS,072
*106,SILVER ME.,062
SILVER ME.,1C0
DK.GRAY MC.,1E0
PREMIUM SILVER,1F2
BLACK,202
BORDEAUX MC.,3P2
BEIGE ME.,4P7
GRAYISH BROWN M.M.,4S1
GREEN M.M.,6S5
DARK GREEN MC.,6S6
OLIVE M.M.,6T7
DARK BLUE MC.,8P8
LT. BLUE M.M.,8P7
89341BSENSOR, ULTRASONIC, NO.2
IVORY PEARL CS.,066
*104,WHITE PEARL CS.,062
SILKY WHITE PEARL CS,072
*106,SILVER ME.,062
SILVER ME.,1C0
DK.GRAY MC.,1E0
PREMIUM SILVER,1F2
BLACK,202
BORDEAUX MC.,3P2
ROSE M.M.,3P4
BEIGE ME.,4P7
GRAYISH BROWN M.M.,4S1
GREEN M.M.,6S5
DARK GREEN M.M.,6S6
OLIVE M.M.,6T7
DARK BLUE MC.,8P8
LT. BLUE M.M.,8P7
WHITE PEARL CS.,062
SILKY WHITE PEARL CS.,072
DK.GRAY MC.,1E0
PREMIUM SILVER,1F2
BLACK,202
BORDEAUX MC.,3P2
BEIGE ME.,4P7
GRAYISH BROWN M.M.,4S1
OLIVE M.M.,6T7
DARK BLUE MC.,8P8
89343DBUZZER, CLEARANCE WARNING, NO.2
89356LABEL, CLEARANCE WARNING INFORMATION
9015950327
main90159-50327
9017906274
main90179-06274
10 parts on this diagram · 1 diagram in section
CLEARANCE & BACK SONAR for Toyota LEXUS LS430
This section contains 10 genuine Toyota parts for the CLEARANCE & BACK SONAR system of the Toyota LEXUS LS430. Key components include: FRONT BUMPER & BUMPER STAY, REAR BUMPER & BUMPER STAY, COMPUTER ASSY, CLEARANCE WARNING, SENSOR, ULTRASONIC, NO.1, SENSOR, ULTRASONIC, NO.2.