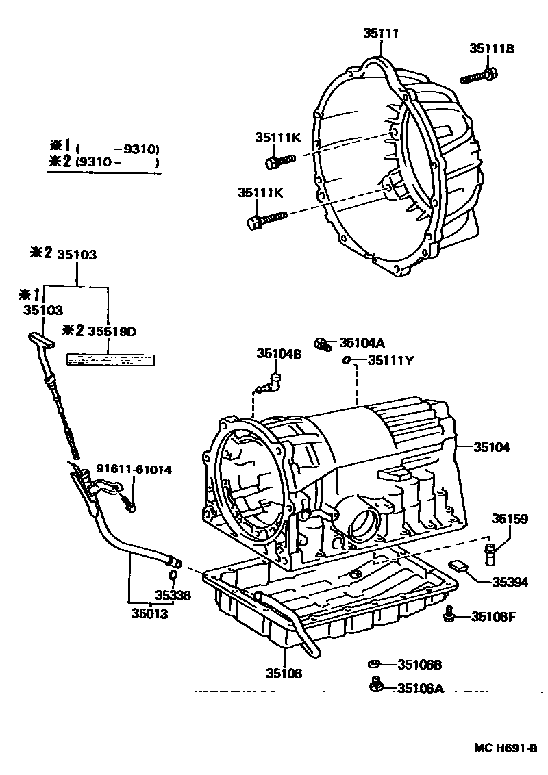
Toyota LEXUS LS400 — TRANSMISSION CASE & OIL PAN (ATM)

35013TUBE SUB-ASSY, TRANSMISSION OIL FILLER
35104APLUG, AUTOMATIC TRANSMISSION CASE
35104BPLUG, BREATHER, NO.1 (ATM)
35106PAN SUB-ASSY, AUTOMATIC TRANSMISSION OIL
35106APLUG SUB-ASSY, DRAIN (ATM)
sub90341-10011
35106BGASKET, DRAIN PLUG (ATM)
sub35178-30010
35106FBOLT (FOR AUTOMATIC TRANSMISSION OIL PAN)
35111HOUSING, AUTOMATIC TRANSMISSION
35111BBOLT (FOR TRANSMISSION HOUSING & ENGINE SETTING)
*12-1.25PX50-30
35111KBOLT (FOR TRANSMISSION HOUSING & CASE SETTING)
*10-1.5PX35-30
*12-1.25PX80-30
*12-1.75PX45-30
35111YRING, O (FOR AUTOMATIC TRANSMISSION CASE)
35159GASKET, BRAKE DRUM
35336RING, O (FOR TRANSMISSION OIL FILLER TUBE)
35394MAGNET, OIL CLEANER (FOR TRANSMISSION)
35519DLABEL, AUTOMATIC TRANSMISSION INFORMATION
9161161014
main91611-61014
18 parts on this diagram · 1 diagram in section