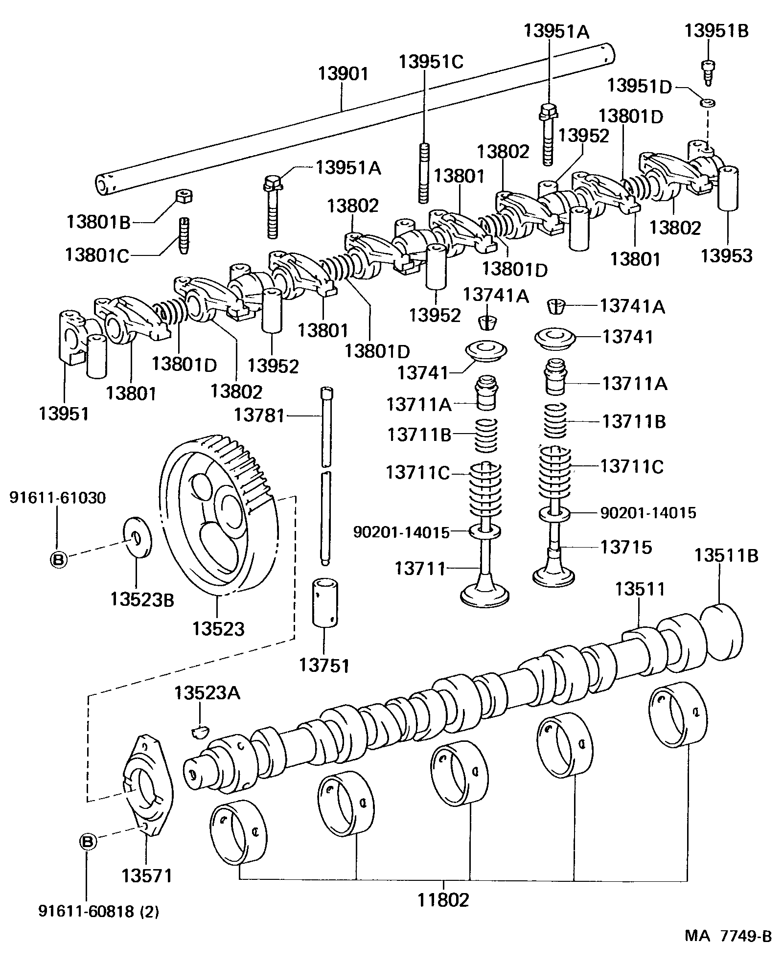
Toyota LAND CRUISER — CAMSHAFT & VALVE

11802BEARING SET, CAMSHAFT
STD
STD
13511CAMSHAFT
13511BPLUG, EXPANSION(FOR CAMSHAFT)
OD=56
13523GEAR OR SPROCKET, CAMSHAFT TIMING
13523AKEY, WOODRUFF(FOR TIMING GEAR)
13523BWASHER, PLATE(FOR TIMING GEAR)
13571PLATE, CAMSHAFT THRUST
13711VALVE, INTAKE
13711ASEAL OR RING, O(FOR VALVE STEM OIL)
13711BSPRING, COMPRESSION(FOR INNER)
13711CSPRING, COMPRESSION(FOR OUTER)
13715VALVE, EXHAUST
13741RETAINER, VALVE SPRING
13741ALOCK, VALVE SPRING RETAINER
13751LIFTER, VALVE
13781ROD, VALVE PUSH
13801ARM SUB-ASSY, VALVE ROCKER, NO.1
13801BNUT, HEXAGON(FOR VALVE ADJUSTING)
13801CSCREW, VALVE ADJUSTING
13801DSPRING, COMPRESSION(FOR ROCKER ARM)
WD=1.6,CW=7.5
13802ARM SUB-ASSY, VALVE ROCKER, NO.2
13901SHAFT SUB-ASSY, VALVE ROCKER, NO.1
13951SUPPORT, VALVE ROCKER, NO.1
13951ABOLT(FOR ROCKER SUPPORT SET)
*8-1.25PX55-30
*8-1.25PX65-30
13951BSCREW OR BOLT(FOR VALVE ROCKER SHAFT LOCK)
13951CBOLT, STUD(FOR ROCKER SUPPORT)
13951DWASHER, SEAL(FOR HEAD COVER SET)
13952SUPPORT, VALVE ROCKER, NO.2
13953SUPPORT, VALVE ROCKER, NO.3
9020114015
main90201-14015
9161160818
main91611-60818
9161161030
main91611-61030
32 parts on this diagram · 1 diagram in section
CAMSHAFT & VALVE for Toyota LAND CRUISER
This section contains 32 genuine Toyota parts for the CAMSHAFT & VALVE system of the Toyota LAND CRUISER. Key components include: BEARING SET, CAMSHAFT, CAMSHAFT, PLUG, EXPANSION(FOR CAMSHAFT), GEAR OR SPROCKET, CAMSHAFT TIMING, KEY, WOODRUFF(FOR TIMING GEAR).