E
ToyotaEPC

Toyota LAND CRUISERHEATING & AIR CONDITIONING - HEATER UNIT & BLOWER

Parts diagram
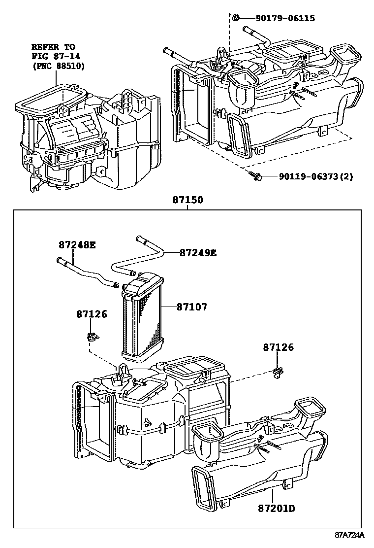
87107UNIT SUB-ASSY, HEATER RADIATOR
main87107-60210i201408-201507
main87107-60510i202311
87126CLAMP, HEATER CONTROL
main87126-12050×2i201408-201507
8714HEATING & AIR CONDITIONING - COOLER UNIT
87150RADIATOR ASSY, HEATER
main87150-60530i201408-201507
main87150-60810i202311
87201DDUCT SUB-ASSY, AIR
main87201-60210i201408-201507
main87201-60530i202311
87248EPIPE, HEATER WATER INLET, E
main87248-60560i201408-201507
87249EPIPE, HEATER WATER OUTLET, E (FOR HEATER UNIT)
main87248-60600i201408-201507
9011906373
9017906115

9 parts on this diagram · 4 diagrams in section

HEATING & AIR CONDITIONING - HEATER UNIT & BLOWER for Toyota LAND CRUISER

This section contains 25 genuine Toyota parts for the HEATING & AIR CONDITIONING - HEATER UNIT & BLOWER system of the Toyota LAND CRUISER. Key components include: BRACKET SUB-ASSY, VISCOUS HEATER NO.1, MOTOR SUB-ASSY, REAR HEATER BLOWER, FAN SUB-ASSY, REAR HEATER BLOWER, UNIT SUB-ASSY, HEATER RADIATOR, UNIT SUB-ASSY, REAR HEATER.