E
ToyotaEPC

Toyota LAND CRUISERWINCH KIT

Parts diagram
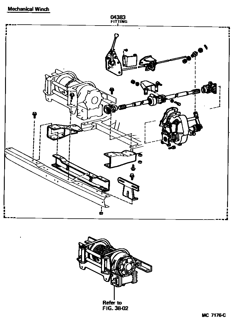
04383FITTING KIT, NO.1, WINCH
main04383-60070i198008-198411
ELECTRIC
main04383-60080i198008-198210
MECHANICAL

2 parts on this diagram · 2 diagrams in section

WINCH KIT for Toyota LAND CRUISER

This section contains 3 genuine Toyota parts for the WINCH KIT system of the Toyota LAND CRUISER. Key components include: FITTING KIT, NO.1, WINCH, FITTING KIT, NO.2, WINCH, WINCH.