Toyota LAND CRUISER — INDICATOR

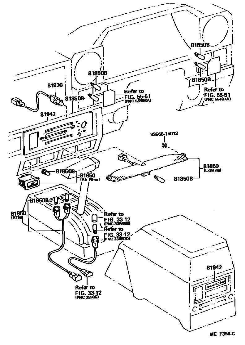
3312SHIFT LEVER & RETAINER
5551INSTRUMENT PANEL & GLOVE COMPARTMENT
81850LAMP ASSY, INDICATOR
12V,LIGHTING
24V,LIGHTING
12V,AIR FILTER WARNING
24V,AIR FILTER WARNING
ATM WARNING
12V,LIGHTING
24V,LIGHTING
81850BBULB, INDICATOR LAMP
24V 1.12W,24V,AIR FILTER WARNING
12V 3.4W,12V 3.4W
24V 3W,24V 3W
81930LAMP ASSY, HEATER CONTROL INDICATOR, NO.1
24V
81942SHEET, HEATER CONTROL NAME
W/HEATER
W/HEATER
W/COOLER & HEATER
W/COOLER & HEATER
W/*BV
W/*BV
W/COOLER & *BV
W/COOLER & *BV
W/HEATER
W/HEATER
W/COOLER & HEATER
W/COOLER & HEATER
W/*BV
W/*BV
W/COOLER & *BV
W/COOLER & *BV
RR HEATER
9356815012
main93568-15012
7 parts on this diagram · 1 diagram in section
INDICATOR for Toyota LAND CRUISER
This section contains 7 genuine Toyota parts for the INDICATOR system of the Toyota LAND CRUISER. Key components include: SHIFT LEVER & RETAINER, INSTRUMENT PANEL & GLOVE COMPARTMENT, LAMP ASSY, INDICATOR, BULB, INDICATOR LAMP, LAMP ASSY, HEATER CONTROL INDICATOR, NO.1.