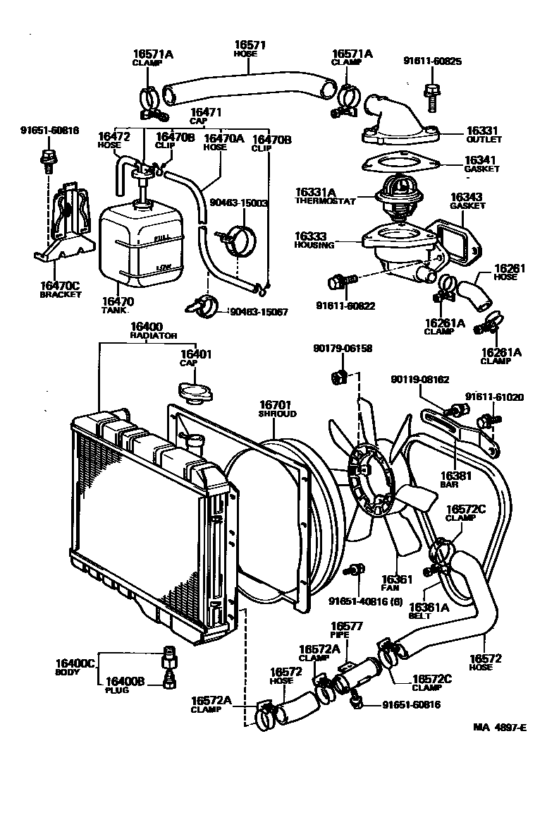
Toyota LAND CRUISER S/T,H/T — RADIATOR & WATER OUTLET

16261HOSE, WATER BY-PASS
16261ACLAMP OR CLIP, HOSE(FOR WATER BY-PASS HOSE)
16331ATHERMOSTAT
16333HOUSING, WATER OUTLET
16341GASKET, WATER OUTLET
16343GASKET, WATER OUTLET HOUSING
16361FAN
OD=380
16361ABELT, V(FOR FAN & ALTERNATOR)
16381BAR, FAN BELT ADJUSTING
W/PS
16400RADIATOR ASSY
16400BPLUG, RADIATOR DRAIN COCK
16400CBODY, RADIATOR DRAIN COCK
16401CAP SUB-ASSY, RADIATOR
16470TANK ASSY, RADIATOR RESERVE
16470AHOSE OR PIPE(FOR RADIATOR RESERVE TANK)
16470BCLAMP OR CLIP(FOR RADIATOR RESERVE TANK HOSE)
16470CBRACKET(FOR RADIATOR RESERVE TANK)
16471CAP SUB-ASSY, RESERVE TANK
16472HOSE, BREATHER
16571HOSE, RADIATOR, INLET
16571ACLAMP OR CLIP, HOSE(FOR RADIATOR INLET)
ID=50
16572HOSE, RADIATOR, OUTLET
PIPE SIDE
PIPE SIDE
PIPE SIDE
RADIATOR SIDE
RADIATOR SIDE
RADIATOR SIDE
16572ACLAMP OR CLIP, HOSE(FOR RADIATOR OUTLET NO.1)
ID=50
16572CCLAMP OR CLIP, HOSE(FOR RADIATOR OUTLET NO.2)
PIPE SIDE,ID=50
WATER PUMP SIDE,ID=56
16577PIPE, RADIATOR, NO.7
16701SHROUD SUB-ASSY, FAN
9011908162
main90119-08162
9017906158
main90179-06158
9046315003
main90463-15003
9046315067
main90463-15067
9161160822
main91611-60822
9161160825
main91611-60825
9161161020
main91611-61020
9165140816
main91651-40816
9165160816
main91651-60816
36 parts on this diagram · 3 diagrams in section
RADIATOR & WATER OUTLET for Toyota LAND CRUISER S/T,H/T
This section contains 48 genuine Toyota parts for the RADIATOR & WATER OUTLET system of the Toyota LAND CRUISER S/T,H/T. Key components include: RADIATOR & WATER OUTLET, HOSE, WATER BY-PASS, CLAMP OR CLIP, HOSE(FOR WATER BY-PASS HOSE), OUTLET, WATER, THERMOSTAT.