E
ToyotaEPC

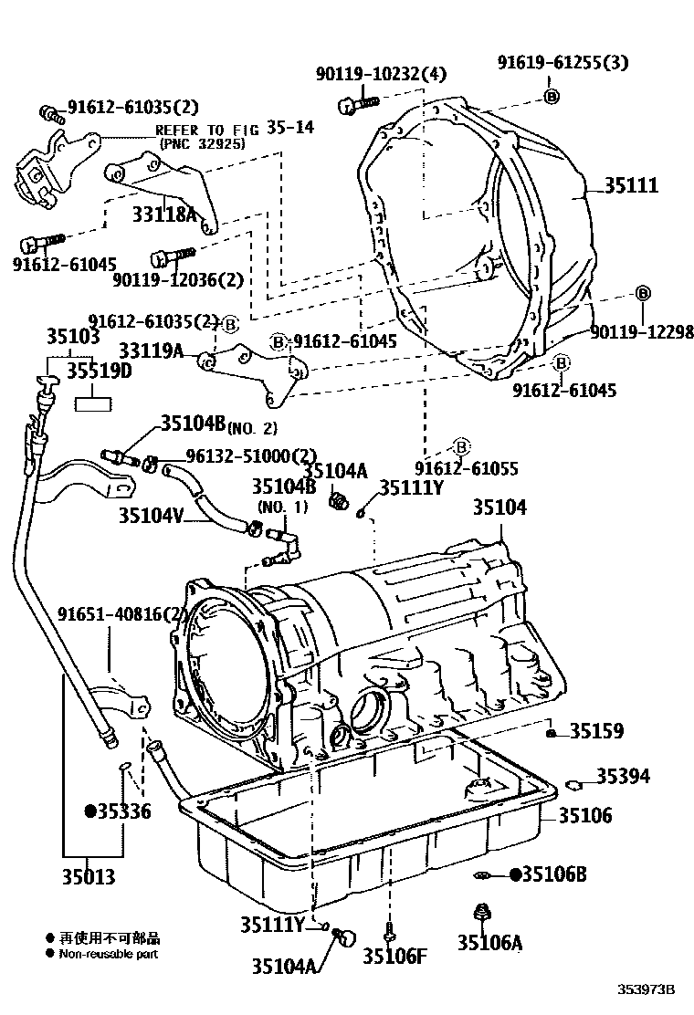
Toyota LAND CRUISER PRADOTRANSMISSION CASE & OIL PAN (ATM)

Parts diagram
33118APLATE, STIFFENER, RH(ATM)
main33118-26011i200209-200408
33119APLATE, STIFFENER, LH(ATM)
main33119-26021i200209-200408
35013TUBE SUB-ASSY, TRANSMISSION OIL FILLER
main35013-35390i200209-200408
main35013-35450i200810-200904
main35013-60230i200209-200508
main35013-60250i200211-200707
main35013-60310i200904
35103GAGE SUB-ASSY, TRANSMISSION OIL LEVEL
main35103-35470i200209-200408
main35103-35530i200408
main35103-60160i200209-200508
main35103-60200i200211-200302
main35103-60240i200302-200707
35104CASE SUB-ASSY, AUTOMATIC TRANSMISSION
main35104-26060i200211-200510
main35104-26061i200510-200707
main35104-35020i200209-200311
main35104-35021i200311-200510
main35104-35022i200510-200908
main35104-60221i200508-200908
35104APLUG, AUTOMATIC TRANSMISSION CASE
main90341-08001×2i200209-200908
35104BPLUG, BREATHER, NO.1 (ATM)
main90930-03098i200209-200908
main90930-03099i200209-200408
main90930-03116i200209-200508
main90930-03168i200211-200908
35104VHOSE (FOR BREATHER PLUG)
main90445-11118i200209-200908
35106PAN SUB-ASSY, AUTOMATIC TRANSMISSION OIL
main35106-35070i200209-200408
main35106-35110i200209-200508
main35106-35120i200211-200707
main35106-35130i200408-200908
main35106-60180i200508-200908
35106APLUG SUB-ASSY, DRAIN (ATM)
main90341-10011i200209-200908
35106BGASKET, DRAIN PLUG (ATM)
main35178-30010i200304-200908
main35178-50010i200209-200304
35106FBOLT (FOR AUTOMATIC TRANSMISSION OIL PAN)
main90119-06117×20i200508-200610
main90119-06173×20i200610-200908
main90119-06513×19i200209-200908
35111HOUSING, AUTOMATIC TRANSMISSION
main35111-35060i200209-200508
main35111-35090i200211-200707
main35111-60120i200209-200408
main35111-60150i200508-200908
main35111-71010i200408-200908
35111YRING, O (FOR AUTOMATIC TRANSMISSION CASE)
main90301-06196×2i200209-200908
3514OIL COOLER & TUBE (ATM)
35159GASKET, BRAKE DRUM
main35159-30010i200209-200908
main35159-60010×3i200508-200908
35336RING, O (FOR TRANSMISSION OIL FILLER TUBE)
main90301-09011i200209-200408
main90301-09173i200408-200508
35394MAGNET, OIL CLEANER (FOR TRANSMISSION)
main35394-30011×3i200209-200908
35519DLABEL, AUTOMATIC TRANSMISSION INFORMATION
main35519-20030i200302
main35519-30010i200408-200508
9011910232
9011912036
9011912298
9161261035
9161261045
9161261055
9161961255
9165140816
9613251000

28 parts on this diagram · 5 diagrams in section

TRANSMISSION CASE & OIL PAN (ATM) for Toyota LAND CRUISER PRADO

This section contains 53 genuine Toyota parts for the TRANSMISSION CASE & OIL PAN (ATM) system of the Toyota LAND CRUISER PRADO. Key components include: PLATE, STIFFENER, RH(ATM), PLATE, STIFFENER, LH(ATM), TUBE SUB-ASSY, TRANSMISSION OIL FILLER, GAGE SUB-ASSY, TRANSMISSION OIL LEVEL, CASE SUB-ASSY, AUTOMATIC TRANSMISSION.