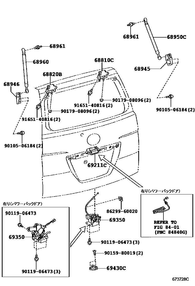
Toyota ISIS — BACK DOOR LOCK & HANDLE

68810CHINGE ASSY, BACK DOOR, RH
68820BHINGE ASSY, BACK DOOR, LH
68945BRACKET, BACK DOOR DAMPER STAY, UPPER RH
68946BRACKET, BACK DOOR DAMPER STAY, UPPER LH
68950CSTAY ASSY, BACK DOOR, RH
68960STAY ASSY, BACK DOOR, LH
68961BOLT, BACK DOOR STAY
69211CHANDLE, BACK DOOR OUTSIDE
69350LOCK ASSY, BACK DOOR
69430CSTRIKER ASSY, BACK DOOR LOCK
8401SWITCH & RELAY & COMPUTER
8629960020PAD, SPEAKER
main86299-60020
9010506184
main90105-06184
9011906473
main90119-06473
9015980019
main90159-80019
9017908096
main90179-08096
9165140816
main91651-40816
17 parts on this diagram · 3 diagrams in section
BACK DOOR LOCK & HANDLE for Toyota ISIS
This section contains 27 genuine Toyota parts for the BACK DOOR LOCK & HANDLE system of the Toyota ISIS. Key components include: HINGE ASSY, BACK DOOR, RH, HINGE ASSY, BACK DOOR, LH, BRACKET, BACK DOOR DAMPER STAY, UPPER RH, BRACKET, BACK DOOR DAMPER STAY, UPPER LH, STAY ASSY, BACK DOOR, RH.