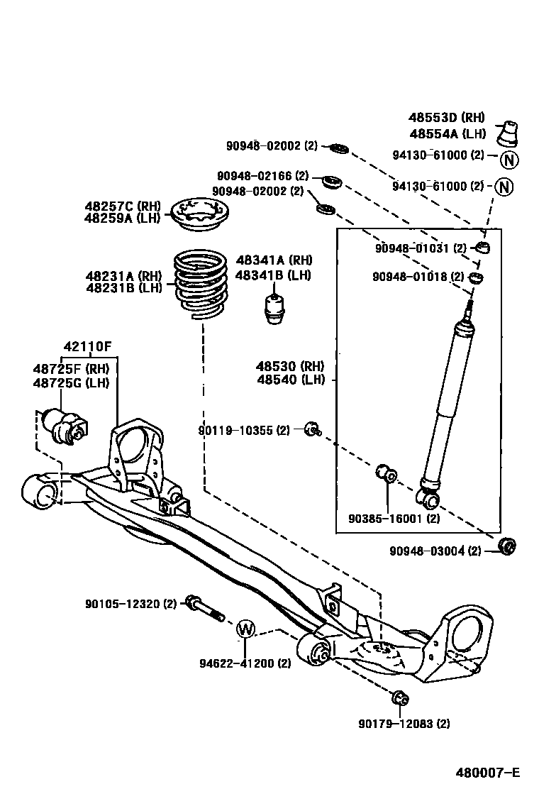
Toyota IPSUM — REAR SPRING & SHOCK ABSORBER

42110FBEAM ASSY, REAR AXLE
48257CINSULATOR, REAR COIL SPRING, UPPER RH
48259AINSULATOR, REAR COIL SPRING, UPPER LH
48553DCAP, REAR SHOCK ABSORBER, RH
48554ACAP, REAR SHOCK ABSORBER, LH
48725FBUSH, REAR AXLE CARRIER, RH
48725GBUSH, REAR AXLE CARRIER, LH
9010512320
main90105-12320
9011910355
main90119-10355
9017912083
main90179-12083
9038516001
main90385-16001
9094801018
main90948-01018
9094801031
main90948-01031
9094802002
main90948-02002
9094802166
main90948-02166
9094803004
main90948-03004
9413061000
main94130-61000
9462241200
main94622-41200
24 parts on this diagram · 1 diagram in section