E
ToyotaEPC

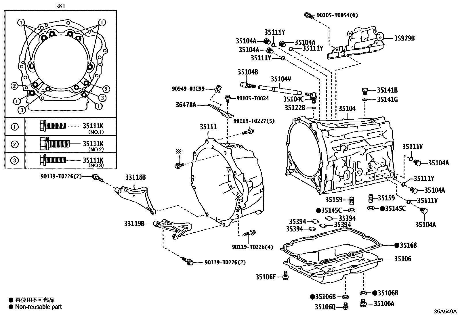
Toyota HILUXTRANSMISSION CASE & OIL PAN (ATM)

Parts diagram
33118BPLATE, STIFFENER, RH(ATM)
main33118-0K030i202006-202108
33119BPLATE, STIFFENER, LH(ATM)
main33119-0K020i202006-202108
35104CASE SUB-ASSY, AUTOMATIC TRANSMISSION
main35104-0K010i202006-202108
35104APLUG, AUTOMATIC TRANSMISSION CASE
main90341-08001×6i202006-202108
35104BPLUG, BREATHER, NO.1 (ATM)
main90930-03211i202006-202108
main90930-T3004i202006-202108
35104CPLUG, BREATHER, NO.2 (ATM)
main90930-03220i202006-202108
main90930-T3006i202006-202108
35104VHOSE (FOR BREATHER PLUG)
main90447-11080i202006-202108
35106PAN SUB-ASSY, AUTOMATIC TRANSMISSION OIL
main35106-0K010i202006-202108
35106APLUG SUB-ASSY, DRAIN (ATM)
main90341-10011i202006-202108
35106BGASKET, DRAIN PLUG (ATM)
main35178-30010×2i202006-202108
35106FBOLT (FOR AUTOMATIC TRANSMISSION OIL PAN)
main90119-06A02×10i202006-202108
35106QPLUG (FOR AUTOMATIC TRANSMISSION OIL PAN)
main90341-10021i202006-202108
35111HOUSING, AUTOMATIC TRANSMISSION
main35111-0K010i202006-202108
35111KBOLT (FOR TRANSMISSION HOUSING & CASE SETTING)
main90119-08C62i202006-202108
main90119-10232×8i202006-202108
main90119-10947×2i202006-202108
main90119-12378×2i202006-202108
35111YRING, O (FOR AUTOMATIC TRANSMISSION CASE)
main90301-T0067×6i202006-202108
35122BRING, O (FOR AUTOMATIC TRANSAXLE BREATHER TUBE UNION)
main90301-T0070i202006-202108
35141BPLUG (FOR AUTOMATIC TRANSMISSION CASE)
main90341-14011i202006-202108
35141GRING, O (FOR AUTOMATIC TRANSMISSION CASE)
main90301-T0069i202006-202108
35145CGASKET, TRANSAXLE CASE
main35145-60020×2i202006-202108
35159GASKET, BRAKE DRUM
main35159-0K010×2i202006-202108
35168GASKET, AUTOMATIC TRANSMISSION OIL PAN
main35168-0K010i202006-202108
main35168-71010i202006-202108
35394MAGNET, OIL CLEANER (FOR TRANSMISSION)
main35394-30011×4i202006-202108
35979BINSULATOR, TRANSMISSION, RH
main35979-0K010i202006-202108
36478ABRACKET, TRANSMISSION BREATHER
main36478-0K060i202006-202108
90105T0024
90105T0054
90119T0226
90119T0227
9094901C99

29 parts on this diagram · 1 diagram in section

TRANSMISSION CASE & OIL PAN (ATM) for Toyota HILUX

This section contains 29 genuine Toyota parts for the TRANSMISSION CASE & OIL PAN (ATM) system of the Toyota HILUX. Key components include: PLATE, STIFFENER, RH(ATM), PLATE, STIFFENER, LH(ATM), CASE SUB-ASSY, AUTOMATIC TRANSMISSION, PLUG, AUTOMATIC TRANSMISSION CASE, PLUG, BREATHER, NO.1 (ATM).