Toyota HILUX — DISTRIBUTOR

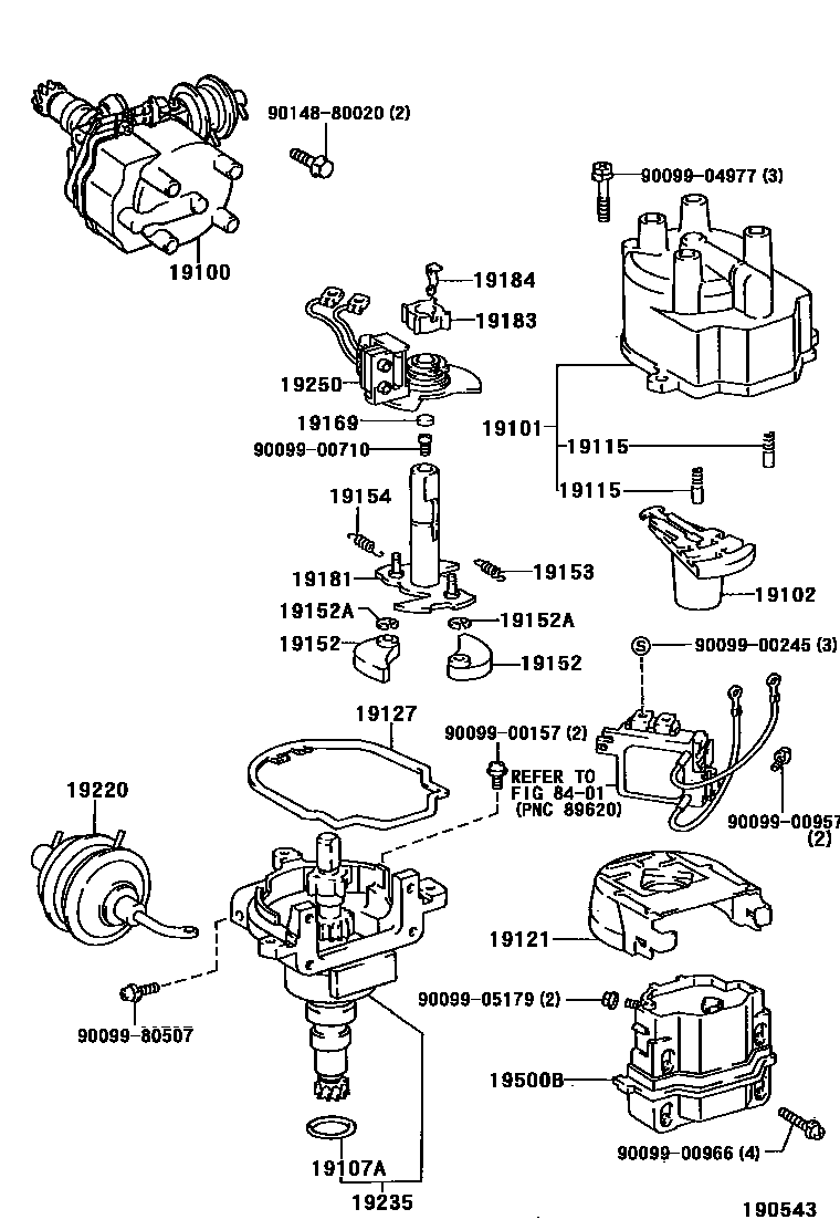
19100DISTRIBUTOR ASSY
CHINA SPEC
19101CAP SUB-ASSY, DISTRIBUTOR
19102ROTOR SUB-ASSY, DISTRIBUTOR
19107ARING, O, DISTRIBUTOR HOUSING
19115PIECE, DISTRIBUTOR CAP, CENTER
19121COVER, DUST PROOF
NO.1
NO.2
19127PACKING, DUST PROOF
NO.1
NO.2
19152WEIGHT, GOVERNOR
19152ARING, SNAP(FOR GOVERNOR WEIGHT)
19153SPRING, GOVERNOR, A
19154SPRING, GOVERNOR, B
19169STOPPER, CAM GREASE
19181ROTOR, DISTRIBUTOR, SIGNAL
19183ROTOR, SIGNAL
19184SPRING, ROTOR SET
19220ADVANCER ASSY, VACUUM, DISTRIBUTOR
19235HOUSING, DISTRIBUTOR
19250GENERATOR ASSY, SIGNAL
19500BCOIL ASSY, IGNITION
8401SWITCH & RELAY & COMPUTER
9009900157
main90099-00157
9009900245
main90099-00245
9009900710
main90099-00710
9009900957
main90099-00957
9009900966
main90099-00966
9009904977
main90099-04977
9009905179
main90099-05179
9009980507
main90099-80507
9014880020
main90148-80020
29 parts on this diagram · 4 diagrams in section
DISTRIBUTOR for Toyota HILUX
This section contains 39 genuine Toyota parts for the DISTRIBUTOR system of the Toyota HILUX. Key components include: IGNITION COIL & SPARK PLUG / GLOW PLUG, DISTRIBUTOR ASSY, CAP SUB-ASSY, DISTRIBUTOR, ROTOR SUB-ASSY, DISTRIBUTOR, RING, O, DISTRIBUTOR HOUSING.