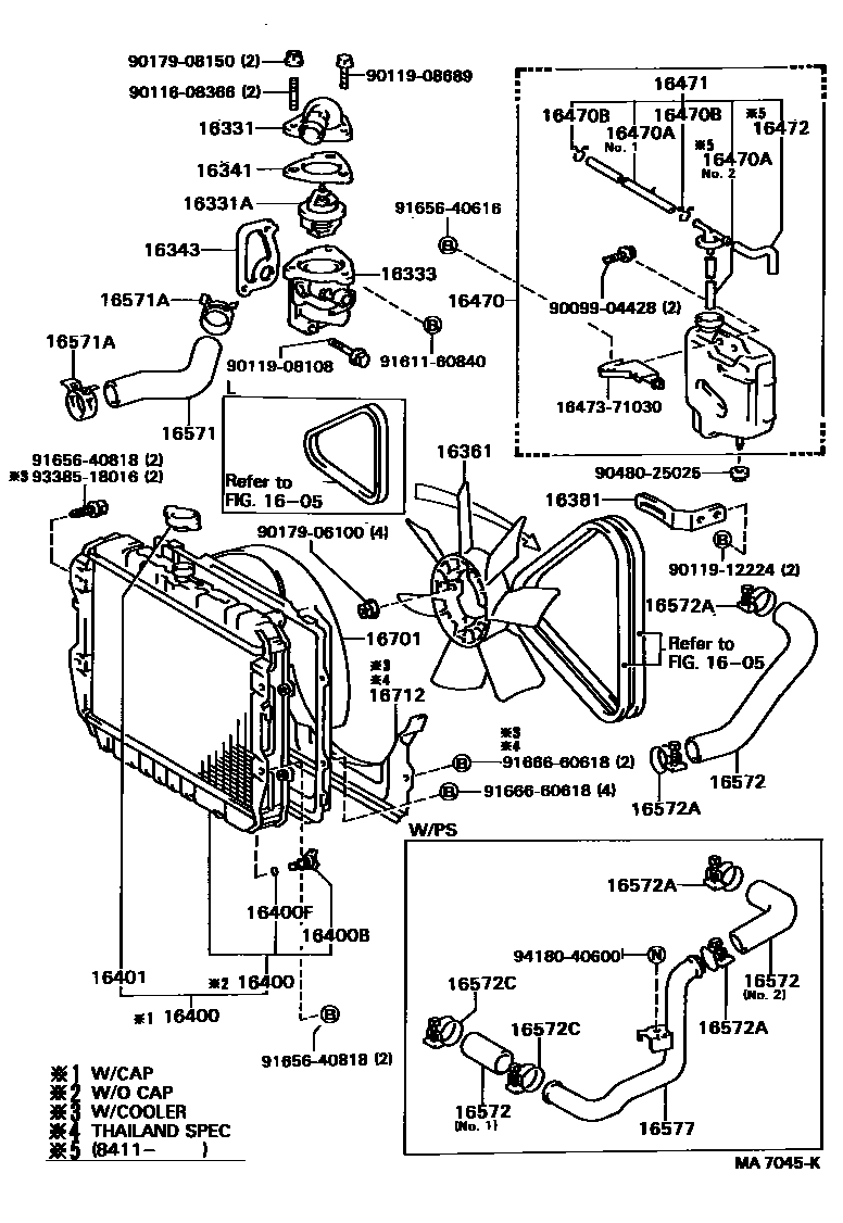
Toyota HILUX — RADIATOR & WATER OUTLET

1605
16331OUTLET, WATER
sub16331-35041
sub16331-35051
main16331-71010i4Y..YN58..4F;4Y..YN58..SR5;4Y..YN62,63,67;1Y#,2Y#,3Y,4YC..YN5#,60,65..4F,4FC,4H,5F198308-199807
16331ATHERMOSTAT
*WAX 88-100
*WAX 82-95,THAILAND SPEC
*WAX 82-95
*WAX 88-100
16333HOUSING, WATER OUTLET
16381BAR, FAN BELT ADJUSTING
sub16381-54061
main16381-71010i4Y..YN58..4F;4Y..YN58..SR5;4Y..YN62,63,67;1Y#,2Y#,3Y,4YC..YN5#,60,65..4F,4FC,4H,5F198308-199807
16400RADIATOR ASSY
W/CAP
W/CAP
W/CAP
W/CAP
W/PS,W/CAP
W/PS,W/CAP
W/CAP
W/O CAP
W/O CAP
sub16400-71071
sub16400-35360
sub16400-71081
sub16400-71091
sub16400-71081
sub16400-71111
sub16400-35350
sub16400-71070
sub16400-71080
sub16400-71090
sub16400-71110
16400BPLUG, RADIATOR DRAIN COCK
16400FPACKING(FOR RADIATOR DRAIN COCK)
16401CAP SUB-ASSY, RADIATOR
16470TANK ASSY, RADIATOR RESERVE
16470AHOSE OR PIPE(FOR RADIATOR RESERVE TANK)
L=1000(*H,L=220),NO.2
L=1000(*H,L=400),NO.1
L=600(*H,L=230),NO.2
L=1000(*H,L=350),NO.1
L=1000(*H,L=430),NO.1
16470BCLAMP OR CLIP(FOR RADIATOR RESERVE TANK HOSE)
16471CAP SUB-ASSY, RESERVE TANK
16472HOSE, BREATHER
16571HOSE, RADIATOR, INLET
sub16571-35180
main16571-71030i4Y..YN58..4F;4Y..YN58..SR5;4Y..YN62,63,67;1Y#,2Y#,3Y,4YC,4YE..YN5#,60,63,65..4F,4FC,4H,5F198308-199807
16572HOSE, RADIATOR, OUTLET
RADIATOR SIDE
RADIATOR SIDE
W/PS(NO.2)
NO.1
NO.1
sub16572-71031
main16572-71031i4Y..YN58..4F;4Y..YN58..SR5;4Y..YN62,63,67;1Y#,2Y#,3Y,4YC,4YE..YN5#,60,63,65..4F,4FC,4H,5F198506-199807
CHAIN COVER SIDE
CHAIN COVER SIDE
W/PS(NO.1)
NO.2
NO.2
16572ACLAMP OR CLIP, HOSE(FOR RADIATOR OUTLET NO.1)
main90467-37002i4Y..YN6#;4Y..YN58..4F;4Y..YN58..SR5;1Y#,2Y#,3Y,4YC,4YE..YN5#,63..4F,4FC,4H,5F198608-199807
TYPE B
sub90467-37005
main90467-37003i4Y..YN58..4F;4Y..YN58..SR5;1Y,2Y,3Y,4Y#..YN50,51,55,56,57,6#..4F,4FC,4H,5F198901-199807
TYPE A
sub90466-38001
WATER PUMP SIDE
RADIATOR SIDE
WATER PUMP SIDE
16701SHROUD SUB-ASSY, FAN
16712SHROUD, FAN, NO.2
main16712-54050i4Y..YN58..4F;4Y..YN58..SR5;4Y..YN62,63,67..ARL,GEN,ME,SA;1Y#,2Y,3Y,4YC,4YE..YN5#,60,63,65..(4F,4FC,4H,5F)..(ARL,GEN,ME,SA)198308-199807
W/COOLER OR THAILAND SPEC
W/COOLER
W/COOLER OR THAILAND SPEC
W/COOLER
W/COOLER
W/COOLER
W/COOLER
1647371030SUPPORT(FOR RADIATOR RESERVE TANK)
main16473-71030
9009904428
main90099-04428
9011608366
main90116-08366
9011908108
main90119-08108
9011908689
main90119-08689
9011912224
main90119-12224
9017906100
main90179-06100
9017908150
main90179-08150
9048025025
main90480-25025
9161160840
main91611-60840
9165640616
main91656-40616
9165640818
main91656-40818
9166660618
main91666-60618
9338518016
main93385-18016
9418040600
main94180-40600
40 parts on this diagram · 6 diagrams in section