E
ToyotaEPC

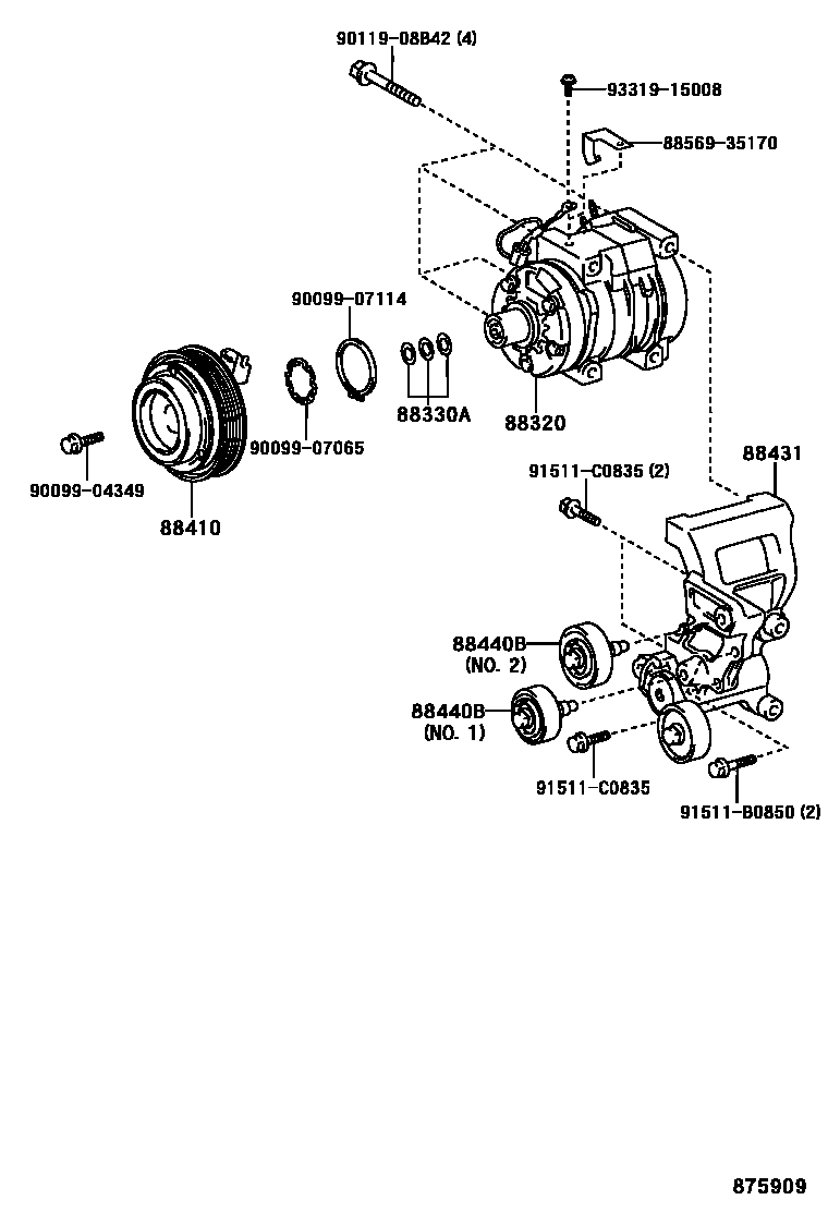
Toyota HILUX SURFHEATING & AIR CONDITIONING - COMPRESSOR

Parts diagram
88320COMPRESSOR ASSY, COOLER
main88320-35700i200508
main88320-35710i200211-200508
main88320-35720i200211-200408
main88320-35730i200211-200508
main88320-6A170i200408-200508
88330AWASHER (FOR MAGNET CLUTCH)
main88335-14020i200508
88410CLUTCH ASSY, MAGNET
main88410-2F010i200408-200508
main88410-35390i200211-200408
main88410-35400i200211-200508
main88410-35430i200508
main88410-35440i200211-200508
88431BRACKET, COMPRESSOR MOUNTING, NO.1
main16620-30010i200211-200508
main88431-25290i200408-200508
main88431-26390i200211-200408
main88431-35220i200211-200508
88440BPULLEY ASSY, IDLE
main88440-25070i200408-200508
main88440-26100i200211-200408
main88440-35060i200211-200508
main88440-35090i200211-200306
main88440-35100i200211-200306
main88440-35101i200306-200508
main88440-35130i200306-200508
8856935170CLAMP (FOR COOLER RELAY)
9009904349
9009907065
9009907114
9011908B42
91511B0850
91511C0835
9331915008

13 parts on this diagram · 5 diagrams in section

HEATING & AIR CONDITIONING - COMPRESSOR for Toyota HILUX SURF

This section contains 26 genuine Toyota parts for the HEATING & AIR CONDITIONING - COMPRESSOR system of the Toyota HILUX SURF. Key components include: COMPRESSOR ASSY, COOLER, WASHER (FOR MAGNET CLUTCH), CLUTCH ASSY, MAGNET, BRACKET, COMPRESSOR MOUNTING, NO.1, PULLEY ASSY, IDLE.

Toyota HILUX SURF HEATING & AIR CONDITIONING - COMPRESSOR — Parts Diagram | ToyotaEPC