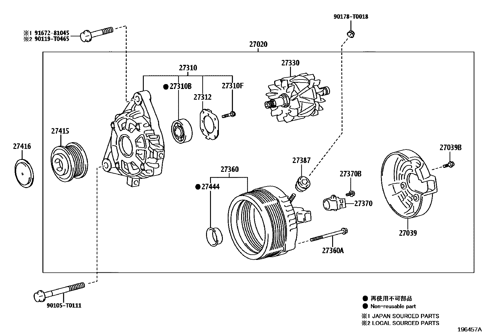
Toyota HILUX (DOUBLE CAB) — ALTERNATOR

27020ALTERNATOR ASSY
main27060-0C080i2TRFE..TGN126..THP..(H,L)..LA;2TRFE..TGN121,126..6FC..H..GCC;2TRFE..TGN126..THP..S..(GCC,LA)202308-202407
12V 100A
main27060-0C110i2TRFE..TGN121..5F..H;2TRFE..TGN126..6FC..L;2TRFE..TGN126..H..GEN;2TRFE..TGN126..5F..(GCC,GEN);1TRFE,2TRFE..TGN120,121,136..THP..(L,S)202308-202407
12V 80A
12V 90A
12V 90A
12V 100A
main27060-0L150i2GDFTV..GUN135..6F..BZAG;2GDFTV..GUN135..6FC..L..BZAG;1GDFTV,2GDFTV..GUN125,126,136..BZAG202311-202410
12V 90A,SEG
main27060-0L160i2GDFTV..GUN135..6F..BZAG;2GDFTV..GUN135..6FC..L..BZAG;1GDFTV,2GDFTV..GUN125,126,136..BZAG; 2GDFTV..GUN135..6FC..S..BZAG;1GDFTV,2GDFTV..GUN125,126,13#..AGTP..LA202311-202410
12V 100A; 12V 100A,DENSO
12V 90A,SEG
main27060-0L280supersedes 27060-30230i1GDFTV..GUN126..6F..(GEN,PH,TH);2GDFTV..GUN125..THP..(H,L)..(GEN,IDN,PH,SA);1GDFTV..GUN126..THP..6FC..DCRL..(GEN,PH,VN);2GDFTV..GUN125..THP..6F..S..(GEN,IDN,SA,TH,VN);1GDFTV,2GDFTV..GUN120,121,122,135..GEN,PH,TH,VN; 1GDFTV..GUN126..6FC..TH202308-202407
12V 80A; 12V 80A,TOYOTA STOP & START SYSTEM-WITHOUT
main27060-0L290i2GDFTV..GUN125..6FC..S..GEN;1GDFTV,2GDFTV..GUN122,125,126,13#..THP..DCRL..(GCC,LA)202308-202407
12V 100A
12V 100A
12V 115A
12V 90A
main27060-30230i1GDFTV..GUN126..6F..TH;1GDFTV..GUN126..6FC..DCRL..GCC;2GDFTV..GUN125,135..H..(GCC,TH); 1GDFTV..GUN126..6FC..TH; 2GDFTV..GUN125,135..(L,S)..TH202308-202407
12V 130A; 12V 130A,TOYOTA STOP & START SYSTEM-WITH; 12V 130A,TOYOTA STOP & START SYSTEM-WITH&FRONT AIR CONDITIONER-AUTO; 12V 130A,TOYOTA STOP & START SYSTEM-WITH&FRONT AIR CONDITIONER-MANUAL
27039COVER, ALTERNATOR REAR END
main27039-0L180i2GDFTV..GUN135..6F..BZAG;2GDFTV..GUN135..6FC..L..BZAG;1GDFTV,2GDFTV..GUN125,126,136..BZAG202311-202410
SEG
main27039-0T300i2GDFTV..GUN135..6F..BZAG;2GDFTV..GUN135..6FC..L..BZAG;1GDFTV,2GDFTV..GUN125,126,136..BZAG; 2GDFTV..GUN135..6FC..S..BZAG;1GDFTV,2GDFTV..GUN125,126,13#..AGTP..LA202311-202410
DENSO
main27039-0V220i2GDFTV..GUN125..6FC..S..GEN;2TRFE..TGN126..THP..(H,L)..LA;2TRFE..TGN121,126..6FC..H..GCC;2TRFE..TGN126..THP..S..(GCC,LA);1G#,2GDFTV..GGN125,GUN122,125,126,13#..THP..(DCRL,HTWC)..(ARL,GCC,LA,TWN)202308-202407
main27039-37220i1GDFTV..GUN126..6F..TH;1GDFTV..GUN126..6FC..DCRL..GCC;2GDFTV..GUN125,135..H..(GCC,TH); 1GDFTV..GUN126..6FC..TH; 2GDFTV..GUN125,135..(L,S)..TH202308-202407
TOYOTA STOP & START SYSTEM-WITH; TOYOTA STOP & START SYSTEM-WITH&FRONT AIR CONDITIONER-AUTO; TOYOTA STOP & START SYSTEM-WITH&FRONT AIR CONDITIONER-MANUAL
27039BBOLT(FOR ALTERNATOR REAR END COVER)
main90068-04046×3i2GDFTV..GUN125..6FC..S..GEN;2TRFE..TGN126..THP..(H,L)..LA;2TRFE..TGN121,126..6FC..H..GCC;2TRFE..TGN126..THP..S..(GCC,LA);1G#,2GDFTV..GGN125,GUN122,125,126,13#..THP..(DCRL,HTWC)..(ARL,GCC,LA,TWN)202308-202407
main90068-04047×3supersedes 90099-04627i1GDFTV..GUN126..6FC..TH; 2TRFE..TGN121..5F..H;2TRFE..TGN126..6FC..L;2TRFE..TGN126..5F..(GCC,GEN);1GDFTV..GUN126..6F..(GEN,PH,TH);1TRFE,2TRFE..TGN120,121..THP..(L,S);1GDFTV..GUN126..THP..6FC..DCRL..(GEN,PH,VN);2GDFTV..GUN125..THP..6F..S..(GEN,IDN,SA,TH,VN);1GDFTV,2GDFTV,2TRFE..GUN120,121,122,135,TGN136..GEN,PH,TH,VN;2GDFTV,2TRFE..GUN125,TGN126..THP..(6F,6FC)..(H,L)..(GEN,IDN,PH,SA)202308-202407
TOYOTA STOP & START SYSTEM-WITHOUT
main90068-04051×3i2GDFTV..GUN135..6F..BZAG;2GDFTV..GUN135..6FC..L..BZAG;1GDFTV,2GDFTV..GUN125,126,136..BZAG; 2GDFTV..GUN135..6FC..S..BZAG;1GDFTV,2GDFTV..GUN125,126,13#..AGTP..LA202311-202410
DENSO
main90099-04627×3i1GDFTV..GUN126..6F..TH;1GDFTV..GUN126..6FC..DCRL..GCC;2GDFTV..GUN125,135..H..(GCC,TH); 1GDFTV..GUN126..6FC..TH; 2GDFTV..GUN125,135..(L,S)..TH202308-202407
TOYOTA STOP & START SYSTEM-WITH; TOYOTA STOP & START SYSTEM-WITH&FRONT AIR CONDITIONER-AUTO; TOYOTA STOP & START SYSTEM-WITH&FRONT AIR CONDITIONER-MANUAL
27310FRAME ASSY, DRIVE END, ALTERNATOR
main27310-0C080i2TRFE..TGN126..THP..(H,L)..LA;2TRFE..TGN121,126..6FC..H..GCC;2TRFE..TGN126..THP..S..(GCC,LA)202308-202407
main27310-0C110i2TRFE..TGN121..5F..H;2TRFE..TGN126..6FC..L;2TRFE..TGN126..H..GEN;2TRFE..TGN126..5F..(GCC,GEN);1TRFE,2TRFE..TGN120,121,136..THP..(L,S)202308-202407
main27310-0L190i2GDFTV..GUN135..6F..BZAG;2GDFTV..GUN135..6FC..L..BZAG;1GDFTV,2GDFTV..GUN125,126,136..BZAG; 2GDFTV..GUN135..6FC..S..BZAG;1GDFTV,2GDFTV..GUN125,126,13#..AGTP..LA202311-202410
DENSO
main27310-0L300i2GDFTV..GUN125..6FC..S..GEN;1GDFTV,2GDFTV..GUN122,125,126,13#..THP..DCRL..(ARL,GCC,LA,TWN)202308-202407
main27310-30240i1GDFTV..GUN126..6F..TH;1GDFTV..GUN126..6FC..DCRL..GCC;2GDFTV..GUN125,135..H..(GCC,TH); 1GDFTV..GUN126..6FC..TH; 2GDFTV..GUN125,135..(L,S)..TH202308-202407
TOYOTA STOP & START SYSTEM-WITH; TOYOTA STOP & START SYSTEM-WITH&FRONT AIR CONDITIONER-AUTO; TOYOTA STOP & START SYSTEM-WITH&FRONT AIR CONDITIONER-MANUAL
27310BBEARING(FOR ALTERNATOR DRIVE END FRAME)
main90068-10033i2GDFTV..GUN135..6F..BZAG;2GDFTV..GUN135..6FC..L..BZAG;1GDFTV,2GDFTV..GUN125,126,136..BZAG202311-202410
DENSO
main90099-10223i1GDFTV..GUN126..6F..TH;1GDFTV..GUN126..6FC..DCRL..GCC;2GDFTV..GUN125,135..H..(GCC,TH); 1GDFTV..GUN126..6FC..TH; 2GDFTV..GUN125,135..(L,S)..TH202308-202407
TOYOTA STOP & START SYSTEM-WITH; TOYOTA STOP & START SYSTEM-WITH&FRONT AIR CONDITIONER-AUTO; TOYOTA STOP & START SYSTEM-WITH&FRONT AIR CONDITIONER-MANUAL
27310FSCREW(FOR ALTERNATOR DRIVE END FRAME)
main90068-00022×4supersedes 90099-00268i1GDFTV..GUN126..6FC..TH; 1GDFTV..GUN126..THP..6F;1G#,2GDFTV,1TRFE,2TRFE..GGN125,GUN120,121,122,125,13#,TGN120,121,136..THP;1GDFTV,2TRFE..GUN126,TGN126..THP..(5F,6FC)..(DCRL,HTWC)..(ARL,GCC,GEN,LA,PH,TWN,VN)202308-202407
TOYOTA STOP & START SYSTEM-WITHOUT
main90068-00039×4i2GDFTV..GUN135..6F..BZAG;2GDFTV..GUN135..6FC..L..BZAG;1GDFTV,2GDFTV..GUN125,126,136..BZAG; 2GDFTV..GUN135..6FC..S..BZAG;1GDFTV,2GDFTV..GUN125,126,13#..AGTP..LA202311-202410
DENSO
main90099-00268×4i1GDFTV..GUN126..6F..TH;1GDFTV..GUN126..6FC..DCRL..GCC;2GDFTV..GUN125,135..H..(GCC,TH); 1GDFTV..GUN126..6FC..TH; 2GDFTV..GUN125,135..(L,S)..TH202308-202407
TOYOTA STOP & START SYSTEM-WITH; TOYOTA STOP & START SYSTEM-WITH&FRONT AIR CONDITIONER-AUTO; TOYOTA STOP & START SYSTEM-WITH&FRONT AIR CONDITIONER-MANUAL
27312PLATE, RETAINER
main27312-0C020supersedes 27312-72100i1GDFTV..GUN126..6FC..TH; 1GDFTV..GUN126..THP..6F;1G#,2GDFTV,1TRFE,2TRFE..GGN125,GUN120,121,122,125,13#,TGN120,121,136..THP;1GDFTV,2TRFE..GUN126,TGN126..THP..(5F,6FC)..(DCRL,HTWC)..(ARL,GCC,GEN,LA,PH,TWN,VN)202308-202407
TOYOTA STOP & START SYSTEM-WITHOUT
main27312-0C130i2GDFTV..GUN135..6F..BZAG;2GDFTV..GUN135..6FC..L..BZAG;1GDFTV,2GDFTV..GUN125,126,136..BZAG; 2TRFE..TGN136..BZAG;2TRFE..TGN126..6FC..LA202311-202410
SEG
main27312-0T300i2GDFTV..GUN135..6F..BZAG;2GDFTV..GUN135..6FC..L..BZAG;1GDFTV,2GDFTV..GUN125,126,136..BZAG; 2GDFTV..GUN135..6FC..S..BZAG;1GDFTV,2GDFTV..GUN125,126,13#..AGTP..LA202311-202410
DENSO
main27312-72100i1GDFTV..GUN126..6F..TH;1GDFTV..GUN126..6FC..DCRL..GCC;2GDFTV..GUN125,135..H..(GCC,TH); 1GDFTV..GUN126..6FC..TH; 2GDFTV..GUN125,135..(L,S)..TH202308-202407
TOYOTA STOP & START SYSTEM-WITH; TOYOTA STOP & START SYSTEM-WITH&FRONT AIR CONDITIONER-AUTO; TOYOTA STOP & START SYSTEM-WITH&FRONT AIR CONDITIONER-MANUAL
27330ROTOR ASSY, ALTERNATOR
main27330-0L140i2GDFTV..GUN125..6FC..S..GEN;2TRFE..TGN126..THP..(H,L)..LA;2TRFE..TGN121,126..6FC..H..GCC;2TRFE..TGN126..THP..S..(GCC,LA);1G#,2GDFTV..GGN125,GUN122,125,126,13#..THP..(DCRL,HTWC)..(GCC,LA)202308-202407
main27330-0L180i2GDFTV..GUN135..6F..BZAG;2GDFTV..GUN135..6FC..L..BZAG;1GDFTV,2GDFTV..GUN125,126,136..BZAG202311-202410
SEG
DENSO
main27330-0T300i2GDFTV..GUN135..6F..BZAG;2GDFTV..GUN135..6FC..L..BZAG;1GDFTV,2GDFTV..GUN125,126,136..BZAG; 2GDFTV..GUN135..6FC..S..BZAG;1GDFTV,2GDFTV..GUN125,126,13#..AGTP..LA202311-202410
DENSO
main27330-37220i1GDFTV..GUN126..6F..TH;1GDFTV..GUN126..6FC..DCRL..GCC;2GDFTV..GUN125,135..H..(GCC,TH); 1GDFTV..GUN126..6FC..TH; 2GDFTV..GUN125,135..(L,S)..TH202308-202407
TOYOTA STOP & START SYSTEM-WITH; TOYOTA STOP & START SYSTEM-WITH&FRONT AIR CONDITIONER-AUTO; TOYOTA STOP & START SYSTEM-WITH&FRONT AIR CONDITIONER-MANUAL
27360COIL ASSY, ALTERNATOR
main27360-0C110i2TRFE..TGN121..5F..H;2TRFE..TGN126..6FC..L;2TRFE..TGN126..H..GEN;2TRFE..TGN126..5F..(GCC,GEN);1TRFE,2TRFE..TGN120,121,136..THP..(L,S)202308-202407
main27360-0L140i2GDFTV..GUN125..6FC..S..GEN;1GDFTV,2GDFTV..GUN122,125,126,13#..THP..DCRL..(GCC,LA)202308-202407
main27360-0L190i2GDFTV..GUN135..6F..BZAG;2GDFTV..GUN135..6FC..L..BZAG;1GDFTV,2GDFTV..GUN125,126,136..BZAG; 2GDFTV..GUN135..6FC..S..BZAG;1GDFTV,2GDFTV..GUN125,126,13#..AGTP..LA202311-202410
DENSO
main27360-30240i1GDFTV..GUN126..6F..TH;1GDFTV..GUN126..6FC..DCRL..GCC;2GDFTV..GUN125,135..H..(GCC,TH); 1GDFTV..GUN126..6FC..TH; 2GDFTV..GUN125,135..(L,S)..TH202308-202407
TOYOTA STOP & START SYSTEM-WITH; TOYOTA STOP & START SYSTEM-WITH&FRONT AIR CONDITIONER-AUTO; TOYOTA STOP & START SYSTEM-WITH&FRONT AIR CONDITIONER-MANUAL
27360ABOLT(FOR ALTERNATOR COIL)
main90068-04048×4supersedes 90099-04626i1GDFTV..GUN126..6FC..TH; 1GDFTV..GUN126..THP..6F;1G#,2GDFTV,1TRFE,2TRFE..GGN125,GUN120,121,122,125,13#,TGN120,121,136..THP;1GDFTV,2TRFE..GUN126,TGN126..THP..(5F,6FC)..(DCRL,HTWC)..(ARL,GCC,GEN,LA,PH,TWN,VN)202308-202407
TOYOTA STOP & START SYSTEM-WITHOUT
main90068-04050×4i2GDFTV..GUN135..6F..BZAG;2GDFTV..GUN135..6FC..L..BZAG;1GDFTV,2GDFTV..GUN125,126,136..BZAG; 2GDFTV..GUN135..6FC..S..BZAG;1GDFTV,2GDFTV..GUN125,126,13#..AGTP..LA202311-202410
DENSO
main90099-04626×4i1GDFTV..GUN126..6F..TH;1GDFTV..GUN126..6FC..DCRL..GCC;2GDFTV..GUN125,135..H..(GCC,TH); 1GDFTV..GUN126..6FC..TH; 2GDFTV..GUN125,135..(L,S)..TH202308-202407
TOYOTA STOP & START SYSTEM-WITH; TOYOTA STOP & START SYSTEM-WITH&FRONT AIR CONDITIONER-AUTO; TOYOTA STOP & START SYSTEM-WITH&FRONT AIR CONDITIONER-MANUAL
27370HOLDER ASSY, ALTERNATOR BRUSH
main27370-0M040supersedes 27370-31220i1GDFTV..GUN126..6FC..TH; 1GDFTV..GUN126..THP..6F;1G#,2GDFTV..GGN125,GUN120,121,122,125,13#..THP;1GDFTV..GUN126..THP..6FC..DCRL..(ARL,GCC,GEN,LA,PH,TWN,VN)202308-202407
TOYOTA STOP & START SYSTEM-WITHOUT
main27370-0T300i2GDFTV..GUN135..6F..BZAG;2GDFTV..GUN135..6FC..L..BZAG;1GDFTV,2GDFTV..GUN125,126,136..BZAG; 2GDFTV..GUN135..6FC..S..BZAG;1GDFTV,2GDFTV..GUN125,126,13#..AGTP..LA202311-202410
DENSO
main27370-31220i1GDFTV..GUN126..6F..TH;1GDFTV..GUN126..6FC..DCRL..GCC;2GDFTV..GUN125,135..H..(GCC,TH); 1GDFTV..GUN126..6FC..TH; 2GDFTV..GUN125,135..(L,S)..TH202308-202407
TOYOTA STOP & START SYSTEM-WITH; TOYOTA STOP & START SYSTEM-WITH&FRONT AIR CONDITIONER-AUTO; TOYOTA STOP & START SYSTEM-WITH&FRONT AIR CONDITIONER-MANUAL
27370BSCREW(FOR ALTERNATOR BRUSH HOLDER)
main90068-00023×2supersedes 90099-00197i1GDFTV..GUN126..6FC..TH; 1GDFTV..GUN126..THP..6F;1G#,2GDFTV,1TRFE,2TRFE..GGN125,GUN120,121,122,125,13#,TGN120,121,136..THP;1GDFTV,2TRFE..GUN126,TGN126..THP..(5F,6FC)..(DCRL,HTWC)..(ARL,GCC,GEN,LA,PH,TWN,VN)202308-202407
TOYOTA STOP & START SYSTEM-WITHOUT
main90068-00037×2i2GDFTV..GUN135..6F..BZAG;2GDFTV..GUN135..6FC..L..BZAG;1GDFTV,2GDFTV..GUN125,126,136..BZAG; 2GDFTV..GUN135..6FC..S..BZAG;1GDFTV,2GDFTV..GUN125,126,13#..AGTP..LA202311-202410
DENSO
main90099-00197×2i1GDFTV..GUN126..6F..TH;1GDFTV..GUN126..6FC..DCRL..GCC;2GDFTV..GUN125,135..H..(GCC,TH); 1GDFTV..GUN126..6FC..TH; 2GDFTV..GUN125,135..(L,S)..TH202308-202407
TOYOTA STOP & START SYSTEM-WITH; TOYOTA STOP & START SYSTEM-WITH&FRONT AIR CONDITIONER-AUTO; TOYOTA STOP & START SYSTEM-WITH&FRONT AIR CONDITIONER-MANUAL
27387INSULATOR, TERMINAL
main27387-0C020supersedes 27387-20130i1GDFTV..GUN126..6FC..TH; 1GDFTV..GUN126..THP..6F;1G#,2GDFTV,1TRFE,2TRFE..GGN125,GUN120,121,122,125,13#,TGN120,121,136..THP;1GDFTV,2TRFE..GUN126,TGN126..THP..(5F,6FC)..(DCRL,HTWC)..(ARL,GCC,GEN,LA,PH,TWN,VN)202308-202407
TOYOTA STOP & START SYSTEM-WITHOUT
main27387-0T300i2GDFTV..GUN135..6F..BZAG;2GDFTV..GUN135..6FC..L..BZAG;1GDFTV,2GDFTV..GUN125,126,136..BZAG; 2GDFTV..GUN135..6FC..S..BZAG;1GDFTV,2GDFTV..GUN125,126,13#..AGTP..LA202311-202410
DENSO
main27387-20130i1GDFTV..GUN126..6F..TH;1GDFTV..GUN126..6FC..DCRL..GCC;2GDFTV..GUN125,135..H..(GCC,TH); 1GDFTV..GUN126..6FC..TH; 2GDFTV..GUN125,135..(L,S)..TH202308-202407
TOYOTA STOP & START SYSTEM-WITH; TOYOTA STOP & START SYSTEM-WITH&FRONT AIR CONDITIONER-AUTO; TOYOTA STOP & START SYSTEM-WITH&FRONT AIR CONDITIONER-MANUAL
27415PULLEY, ALTERNATOR W/CLUTCH
main27415-0C010i2TRFE..TGN126..(AGTP,SAP)..6FC;2TRFE..TGN121,126,136..(AGTP,SAP)..5F..(BZAG,SA)202311-202410
main27415-0L040i2GDFTV..GUN135..6F..BZAG;2GDFTV..GUN135..6FC..L..BZAG;1GDFTV,2GDFTV..GUN125,126,136..BZAG202311-202410
PNC 27020=SEG
main27415-0L050i2GDFTV..GUN125..6FC..S..GEN;1GDFTV,2GDFTV..GUN122,125,126,13#..THP..DCRL..(ARL,GCC,LA,TWN)202308-202407
main27415-0W053i2TRFE..TGN121..5F..H;2TRFE..TGN126..6FC..L;2TRFE..TGN126..H..GEN;2TRFE..TGN126..5F..(GCC,GEN);1TRFE,2TRFE..TGN120,121,136..THP..(L,S)202308-202407
main27415-30010i1GDFTV..GUN126..6FC..TH; 2GDFTV..GUN125,135..(L,S)..TH; 2GDFTV..GUN125,135..TH;2GDFTV..GUN125..H..GCC;1GDFTV..GUN126..6F..TH;1GDFTV..GUN126..6FC..DCRL..GCC202308-202407
TOYOTA STOP & START SYSTEM-WITH; TOYOTA STOP & START SYSTEM-WITH&FRONT AIR CONDITIONER-AUTO; TOYOTA STOP & START SYSTEM-WITH&FRONT AIR CONDITIONER-MANUAL
27416CAP, ALTERNATOR PULLEY
SEG
27444PACKING, ALTERNATOR BEARING COVER
main27444-0T300i2GDFTV..GUN135..6F..BZAG;2GDFTV..GUN135..6FC..L..BZAG;1GDFTV,2GDFTV..GUN125,126,136..BZAG; 2GDFTV..GUN135..6FC..S..BZAG;1GDFTV,2GDFTV..GUN125,126,13#..AGTP..LA202311-202410
DENSO
main27444-21190i1GDFTV..GUN126..6F..TH;1GDFTV..GUN126..6FC..DCRL..GCC;2GDFTV..GUN125,135..H..(GCC,TH); 1GDFTV..GUN126..6FC..TH; 2GDFTV..GUN125,135..(L,S)..TH202308-202407
TOYOTA STOP & START SYSTEM-WITH; TOYOTA STOP & START SYSTEM-WITH&FRONT AIR CONDITIONER-AUTO; TOYOTA STOP & START SYSTEM-WITH&FRONT AIR CONDITIONER-MANUAL
90105T0111
main90105-T0111
90119T0465
main90119-T0465
90178T0018
main90178-T0018
9167281045
main91672-81045
20 parts on this diagram · 10 diagrams in section
ALTERNATOR for Toyota HILUX (DOUBLE CAB)
This section contains 45 genuine Toyota parts for the ALTERNATOR system of the Toyota HILUX (DOUBLE CAB). Key components include: BRACKET, ALTERNATOR, NO.1, VACUUM PUMP, ALTERNATOR ASSY, SCREW SET, ALTERNATOR, BOLT(FOR ALTERNATOR).