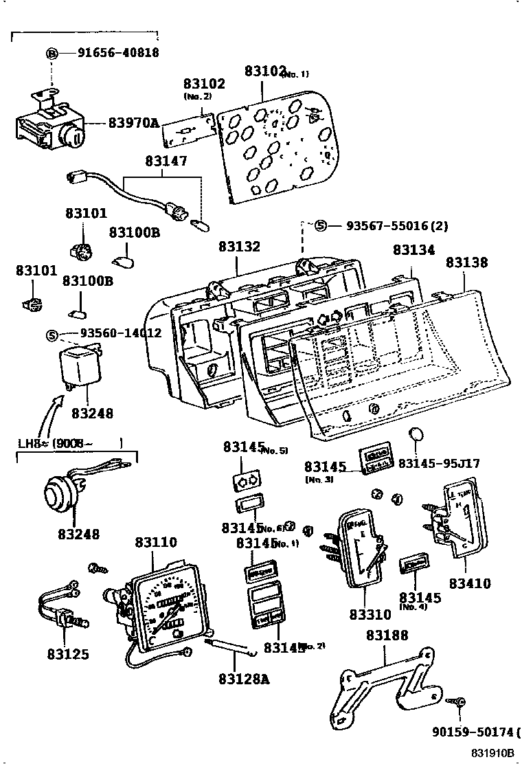
Toyota HIACE TRUCK — METER

83100BBULB, COMBINATION METER, NO.1
83101SOCKET SUB-ASSY, COMBINATION METER BULB
BULB:90981-11018
BULB:90891-11018
BULB:99132-12034
BULB:83109-24030
83102PLATE SUB-ASSY, COMBINATION METER CIRCUIT, NO.1
NO.1
NO.2
83125SWITCH ASSY, METER
83128AKNOB, METER
83132CASE, COMBINATION METER
83134COVER, COMBINATION METER, NO.1
83145LENS, METER, NO.1
83188BRACKET, METER, NO.1
83310GAGE ASSY, FUEL RECEIVER
83410GAGE ASSY, WATER TEMPERATURE RECEIVER
83970AALARM ASSY, SPEED
sub83970-95401
8314595J17LENS, METER, NO.1
main83145-95J17
9015950174
main90159-50174
9165640818
main91656-40818
9356014012
main93560-14012
9356755016
main93567-55016
21 parts on this diagram · 6 diagrams in section