Toyota HIACE TRUCK — HEATING & AIR CONDITIONING - SET

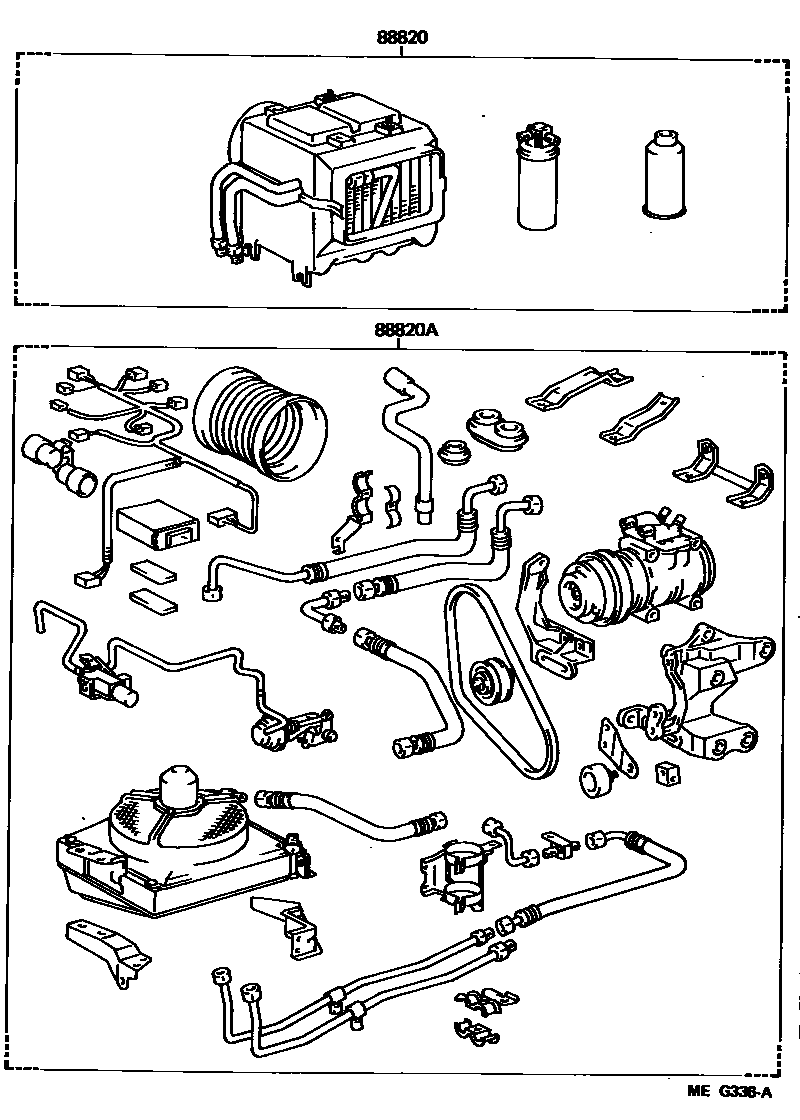
88820AIR CONDITIONER & ACCESSORY SUB-ASSY, NO.1
88820AAIR CONDITIONER & ACCESSORY SUB-ASSY, NO.2
2 parts on this diagram · 3 diagrams in section
HEATING & AIR CONDITIONING - SET for Toyota HIACE TRUCK
This section contains 4 genuine Toyota parts for the HEATING & AIR CONDITIONING - SET system of the Toyota HIACE TRUCK. Key components include: HEATER & ACCESSORY, REAR, COOLER & ACCESSORY ASSY, AIR CONDITIONER & ACCESSORY SUB-ASSY, NO.1, AIR CONDITIONER & ACCESSORY SUB-ASSY, NO.2.