Toyota HIACE TRUCK — HEATING & AIR CONDITIONING - HEATER UNIT & BLOWER

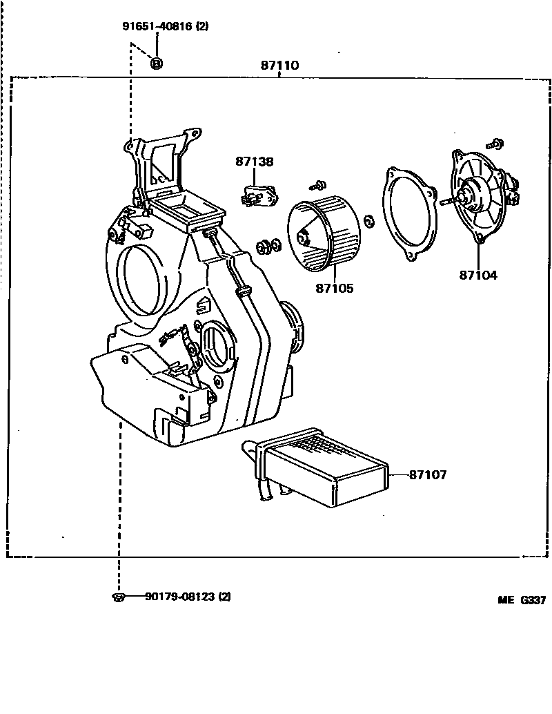
87104MOTOR SUB-ASSY, HEATER BLOWER
87105FAN SUB-ASSY, HEATER BLOWER
87107UNIT SUB-ASSY, HEATER RADIATOR
HEAVY HEATER
87138RESISTOR, HEATER BLOWER
9017908123
main90179-08123
9165140816
main91651-40816
7 parts on this diagram · 2 diagrams in section