Toyota HIACE QUICK DELIVERY — HEATING & AIR CONDITIONING - SET

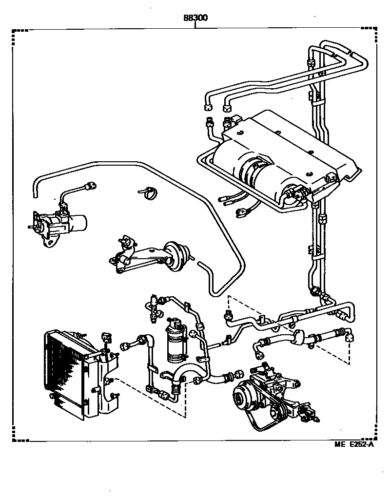
88300COOLER & ACCESSORY ASSY
1 parts on this diagram · 1 diagram in section
HEATING & AIR CONDITIONING - SET for Toyota HIACE QUICK DELIVERY
This section contains 1 genuine Toyota parts for the HEATING & AIR CONDITIONING - SET system of the Toyota HIACE QUICK DELIVERY. Key components include: COOLER & ACCESSORY ASSY.