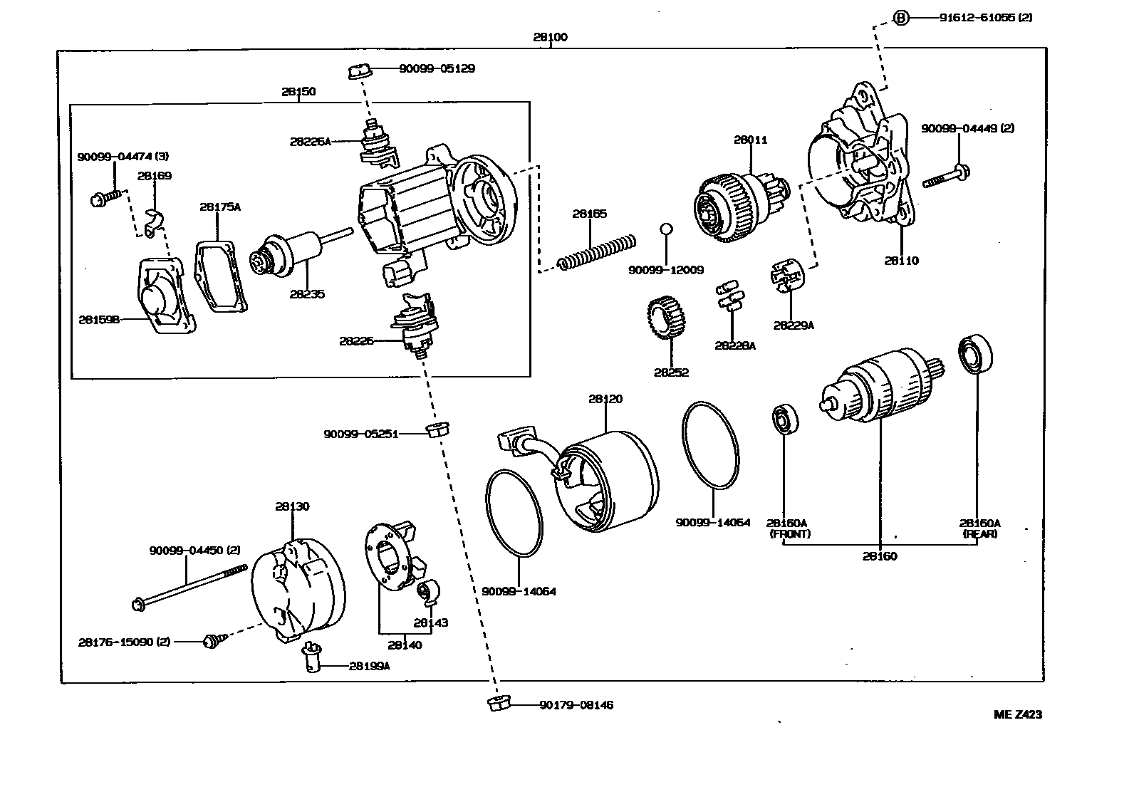
Toyota GRANVIA/GRAND HIACE — STARTER

28011CLUTCH SUB-ASSY, STARTER
28110HOUSING ASSY, STARTER DRIVE
28120YOKE ASSY, STARTER
28130FRAME ASSY, STARTER COMMUTATOR END
28140HOLDER ASSY, STARTER BRUSH
28143SPRING, STARTER BRUSH
28159BCOVER, MAGNET SWITCH
28160ARMATURE ASSY, STARTER
28160ABEARING, STARTER ARMATURE
FRONT
REAR
FRONT
REAR
28165SPRING, STARTER MAGNET SWITCH RETURN
28169CLAMP, STARTER MOTOR LEAD WIRE
28175AGASKET, MAGNET SWITCH COVER
28199COVER, STARTER
28199APROTECTOR, DUST STARTER
28226ASTARTER KIT, MOTOR TERMINAL
28228AROLLER, STARTER CLUTCH
28229ARETAINER, STARTER IDLE GEAR
28235PLUNGER, MAGNET SWITCH
28252GEAR, STARTER IDLE
2817615090SCREW, STARTER
main28176-15090
9009904449
main90099-04449
9009904450
main90099-04450
9009904474
main90099-04474
9009905129
main90099-05129
9009905251
main90099-05251
9009912009
main90099-12009
9009914064
main90099-14064
9017908146
main90179-08146
9161261055
main91612-61055
32 parts on this diagram · 4 diagrams in section