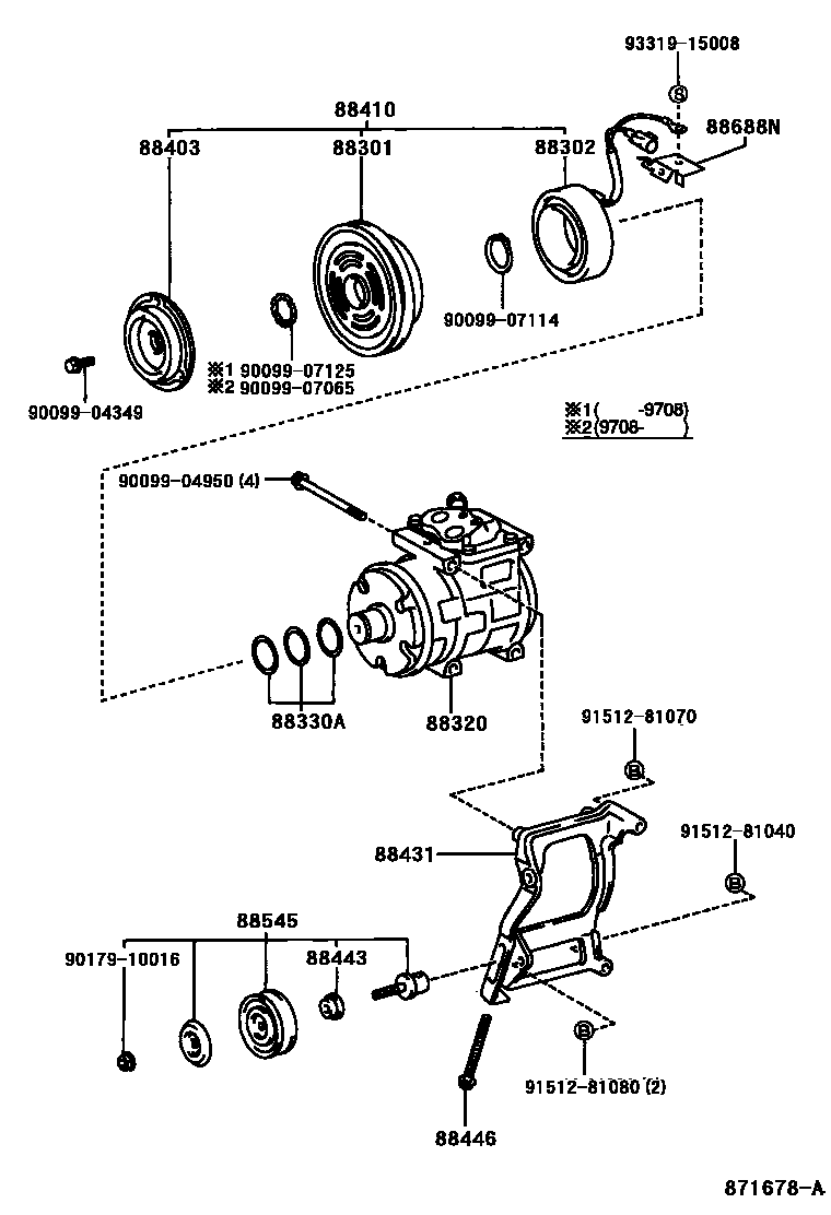
Toyota GRANVIA/GRAND HIACE — HEATING & AIR CONDITIONING - COMPRESSOR

88301ROTOR SUB-ASSY, MAGNET CLUTCH
88320COMPRESSOR ASSY, COOLER
sub88320-26H91
sub88320-26610
sub88320-26600
sub88320-26H91
sub88320-60H91
sub88320-26H91
sub88320-26H91
88330AWASHER (FOR MAGNET CLUTCH)
88403HUB SUB-ASSY, MAGNET CLUTCH
88410CLUTCH ASSY, MAGNET
88431BRACKET, COMPRESSOR MOUNTING, NO.1
88443COLLAR, IDLE PULLEY
88688NBRACKET, COOLER
9009904349
main90099-04349
9009904950
main90099-04950
9009907065
main90099-07065
9009907114
main90099-07114
9009907125
main90099-07125
9017910016
main90179-10016
9151281040
main91512-81040
9151281070
main91512-81070
9151281080
main91512-81080
9331915008
main93319-15008
21 parts on this diagram · 3 diagrams in section