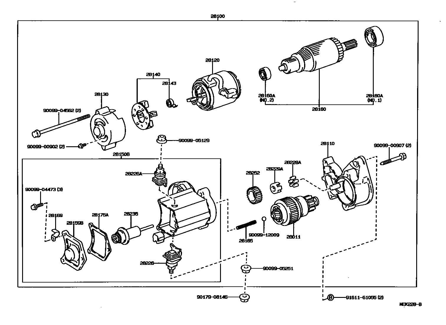
Toyota DYNA150 — STARTER

28011CLUTCH SUB-ASSY, STARTER
28100STARTER ASSY
12V 2.0KW
12V 2.0KW
12V 2.0KW
12V 1.0KW
12V 1.0KW
28110HOUSING ASSY, STARTER DRIVE
28120YOKE ASSY, STARTER
28130FRAME ASSY, STARTER COMMUTATOR END
28140HOLDER ASSY, STARTER BRUSH
28143SPRING, STARTER BRUSH
28150BSWITCH ASSY, MAGNETIC
28159BCOVER, MAGNET SWITCH
28160ARMATURE ASSY, STARTER
28160ABEARING, STARTER ARMATURE
NO.2
NO.2
NO.1
NO.1
NO.1
NO.2
28165SPRING, STARTER MAGNET SWITCH RETURN
28169CLAMP, STARTER MOTOR LEAD WIRE
28175AGASKET, MAGNET SWITCH COVER
28226STARTER KIT, BATTERY TERMINAL
28226ASTARTER KIT, MOTOR TERMINAL
28228AROLLER, STARTER CLUTCH
28229ARETAINER, STARTER IDLE GEAR
28235PLUNGER, MAGNET SWITCH
28252GEAR, STARTER IDLE
9009900902
main90099-00902
9009900907
main90099-00907
9009904473
main90099-04473
9009904562
main90099-04562
9009905129
main90099-05129
9009905251
main90099-05251
9009912009
main90099-12009
9017908146
main90179-08146
9161161055
main91611-61055
29 parts on this diagram · 2 diagrams in section
STARTER for Toyota DYNA150
This section contains 40 genuine Toyota parts for the STARTER system of the Toyota DYNA150. Key components include: CLUTCH SUB-ASSY, STARTER, STARTER ASSY, HOUSING ASSY, STARTER DRIVE, COVER, STARTER END FRAME, YOKE ASSY, STARTER.