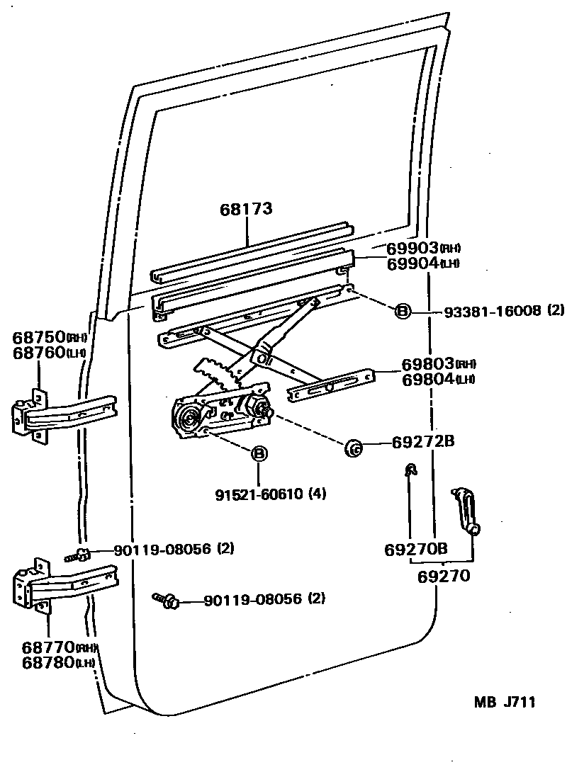
Toyota DYNA100 — REAR DOOR WINDOW REGULATOR & HINGE

68173WEATHERSTRIP, REAR DOOR GLASS CHANNEL
68750HINGE ASSY, REAR DOOR, UPPER RH
68760HINGE ASSY, REAR DOOR, UPPER LH
68770HINGE ASSY, REAR DOOR, LOWER RH
68780HINGE ASSY, REAR DOOR, LOWER LH
69270HANDLE ASSY, REAR DOOR WINDOW REGULATOR
69270BRING, SHAFT SNAP(FOR REAR DOOR WINDOW REGULATOR HANDLE)
sub90520-01274
69272BPLATE, REAR DOOR REGULATOR INSIDE HANDLE
69803REGULATOR SUB-ASSY, REAR DOOR WINDOW, RH
69804REGULATOR SUB-ASSY, REAR DOOR WINDOW, LH
69903CHANNEL SUB-ASSY, REAR DOOR GLASS, RH
69904CHANNEL SUB-ASSY, REAR DOOR GLASS, LH
9011908056
main90119-08056
9152160610
main91521-60610
9338116008
main93381-16008
15 parts on this diagram · 1 diagram in section