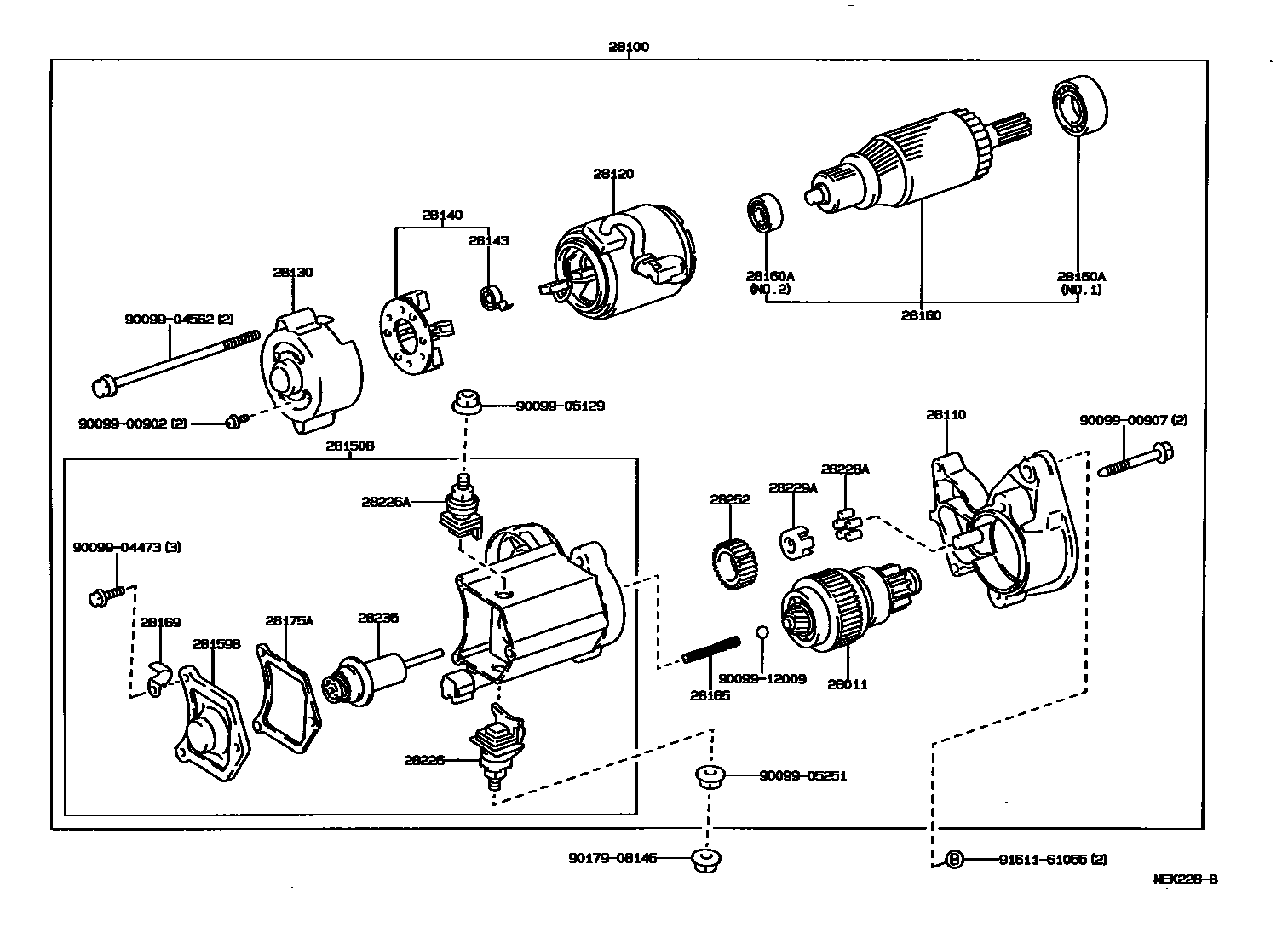
Toyota DYNA100 — STARTER

28011CLUTCH SUB-ASSY, STARTER
W(80D26R 2PIECE PARALLEL BATTERY)
W(130E41L BATTERY)
28100STARTER ASSY
12V 2.7KW
12V 2.0KW
12V 1.0KW
28110HOUSING ASSY, STARTER DRIVE
W(130E41L BATTERY)
W(80D26R 2PIECE PARALLEL BATTERY)
28120YOKE ASSY, STARTER
W(80D26R 2PIEC PARALLEL BATTERY)
W(130E41L BATTERY)
28130FRAME ASSY, STARTER COMMUTATOR END
28140HOLDER ASSY, STARTER BRUSH
W(130E41L BATTERY)
W(80D26R 2PIECE PARALLEL BATTERY)
28143SPRING, STARTER BRUSH
28159BCOVER, MAGNET SWITCH
W(80D26R 2-PIECE PARALLEL BATTERY)
28160ABEARING, STARTER ARMATURE
NO.2
NO.2
W(80D26R 2PIECE PARALLEL BATTERY),NO.1
NO.1
W(130E41L BATTERY),NO.1
NO.1
W(130E41L BATTERY),NO.2
NO.2
W(80D26R 2PIECE PARALLEL BATTERY),NO.2
NO.1
28165SPRING, STARTER MAGNET SWITCH RETURN
W(130E41L BATTERY)
W(80D26R 2PIECE PARALLEL BATTERY)
28169CLAMP, STARTER MOTOR LEAD WIRE
28175AGASKET, MAGNET SWITCH COVER
W(80D26R 2-PIECE PARALLEL BATTERY)
28226STARTER KIT, BATTERY TERMINAL
28226ASTARTER KIT, MOTOR TERMINAL
W(80D26R 2-PIECE PARALLEL BATTERY)
28228AROLLER, STARTER CLUTCH
W(130E41L BATTERY)
W(80D26R 2PIECE PARALLEL BATTERY)
28229ARETAINER, STARTER IDLE GEAR
W(130E41L BATTERY)
W(80D26R 2PIECE PARALLEL BATTERY)
28235PLUNGER, MAGNET SWITCH
W(80D26R 2-PIECE PARALLEL BATTERY)
28252GEAR, STARTER IDLE
W(130E41L BATTERY)
W(80D26R 2PIECE PARALLEL BATTERY)
9009900902
main90099-00902
9009900907
main90099-00907
9009904473
main90099-04473
9009904562
main90099-04562
9009905129
main90099-05129
9009905251
main90099-05251
9009912009
main90099-12009
9017908146
main90179-08146
9161161055
main91611-61055
29 parts on this diagram · 3 diagrams in section