E
EPC Data

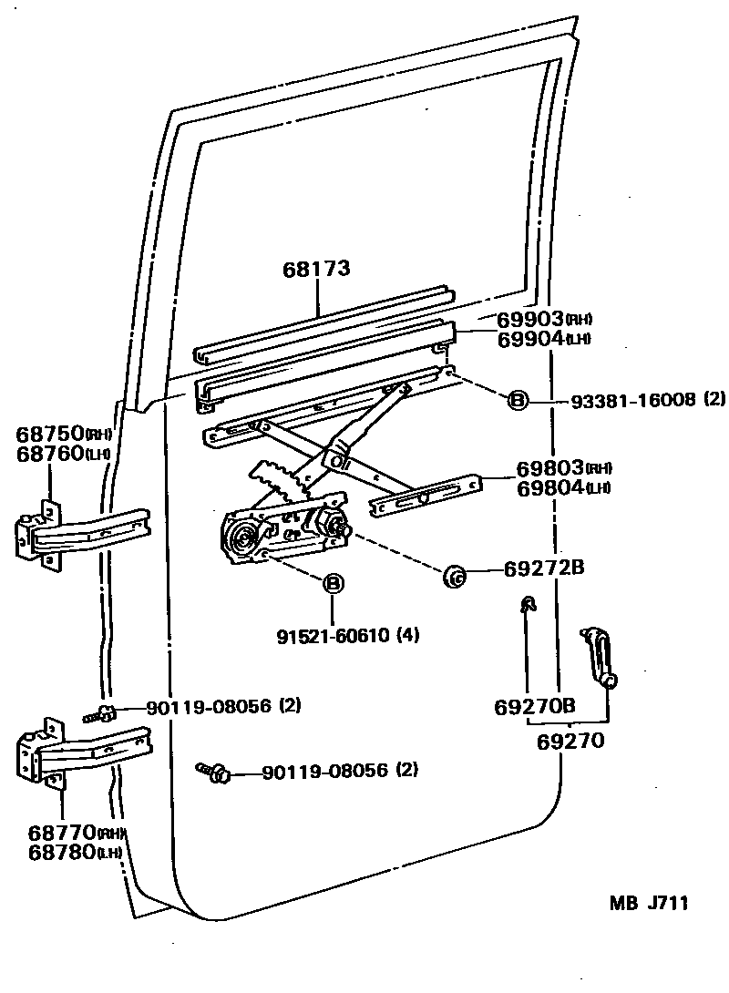
Toyota DYNA100REAR DOOR WINDOW REGULATOR & HINGE

Parts diagram
68173WEATHERSTRIP, REAR DOOR GLASS CHANNEL
main69981-95701i198508-198708
68750HINGE ASSY, REAR DOOR, UPPER RH
main68750-95400i198508-198708
68760HINGE ASSY, REAR DOOR, UPPER LH
main68750-95400i198508-198708
68770HINGE ASSY, REAR DOOR, LOWER RH
main68770-95400i198508-198708
68780HINGE ASSY, REAR DOOR, LOWER LH
main68780-95400i198508-198708
69270HANDLE ASSY, REAR DOOR WINDOW REGULATOR
main69260-10040-33i198508-198708
GRAY,SHADOW GRAY
69270BRING, SHAFT SNAP(FOR REAR DOOR WINDOW REGULATOR HANDLE)
main90520-01002i198508-198708
69272BPLATE, REAR DOOR REGULATOR INSIDE HANDLE
main69272-30010-08i198508-198708
NATURAL WHITE
69803REGULATOR SUB-ASSY, REAR DOOR WINDOW, RH
main69830-95A00i198508-198708
69804REGULATOR SUB-ASSY, REAR DOOR WINDOW, LH
main69840-95A00i198508-198708
69903CHANNEL SUB-ASSY, REAR DOOR GLASS, RH
main69901-95701i198508-198708
69904CHANNEL SUB-ASSY, REAR DOOR GLASS, LH
main69901-95701i198508-198708
9011908056
9152160610
9338116008

15 parts on this diagram · 1 diagram in section

Toyota DYNA100 REAR DOOR WINDOW REGULATOR & HINGE — Parts Diagram | EPC Data