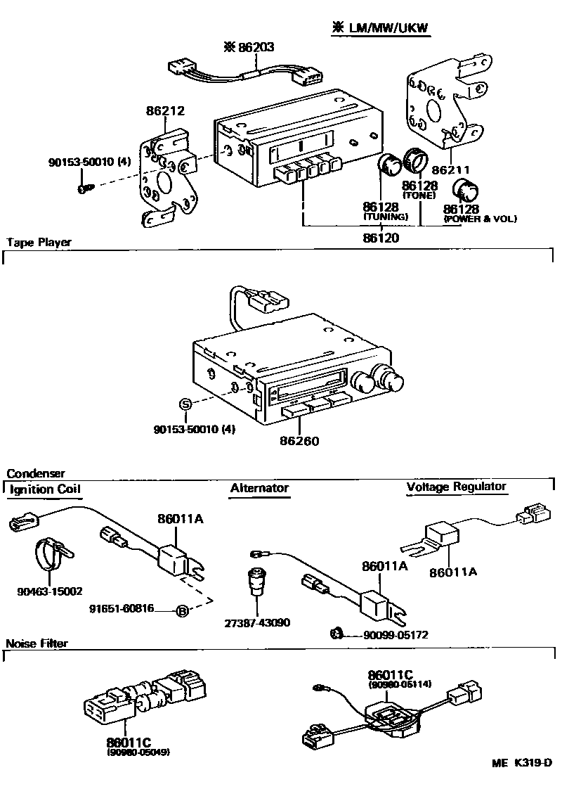
Toyota DYNA100 — RADIO RECEIVER & AMPLIFIER & CONDENSER

86011ACONDENSER, RADIO SETTING
VOLTAGE REGULATOR
ALTERNATOR
IGNITION COIL
86011CFILTER, NOISE
86120RECEIVER ASSY, RADIO
MATSUSHITA,ID=5108,MW/SW 5-PB
MATSUSHITA,MW/SW 5-PB
FUJITSU TEN,ID=12201,LW/MW/UKW ETR
FUJITSU TEN,LW/MW/UKW 5-PB
FUJITSU TEN,LW/MW/UKW 5-PB/ARI
MATSUSHITA,AM/FM MPX ETR
FUJITSU TEN,LW/MW/UKW MPX ETR/AIR 2AMP
FUJITSU TEN,LW/MW/UKW ETR
MATSUSHITA,AM/FM MPX 5-PB/2-AMP
MATSUSHITA,ID=52101,LW/MW/UKW 5-PB/ARI
86128KNOB, RADIO RECEIVER
POWER & VOL,TUNING,*89
TONE(RADIO=86120-32391),TONE,*89
POWER & VOL,*89
BAL,*89
TONE,*89
POWER & VOL,*89
TONE(RADIO=86120-32241,86120-32111),TONE,*89
TONE,*89
TONE(RADIO=86120-32111),TONE,*89
86203WIRE, RADIO
86211BRACKET, RADIO, NO.1
86212BRACKET, RADIO, NO.2
86260TAPE PLAYER ASSY
sub86260-17012
2738743090INSULATOR, TERMINAL
main27387-43090
9009905172
main90099-05172
9015350010
main90153-50010
9046315002
main90463-15002
9098005049
main90980-05049
9098005114
main90980-05114
9165160816
main91651-60816
15 parts on this diagram · 3 diagrams in section