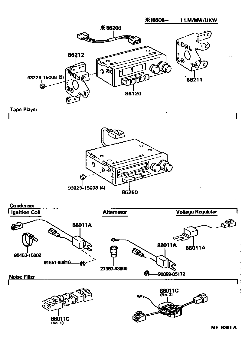
Toyota DYNA100 — RADIO RECEIVER & AMPLIFIER & CONDENSER

86011ACONDENSER, RADIO SETTING
VOLTAGE REGULATOR
ALTERNATOR
IGNITION COIL
86011CFILTER, NOISE
NO.1,AM/FM MPX OR LW/MW/UKW
NO.2
86120RECEIVER ASSY, RADIO
MATSUSHITA,ID=5108,MW/SW
FUJITSU TEN,LW/MW/UKW
FUJITSU TEN,LW/MW/UKW,W/ARI
*ELT,LW/MW/UKW,W/ARI
*ELT,LW/MW/UKW
MATSUSHITA,AM/FM MPX
86203WIRE, RADIO
LW/MW/UKW
86211BRACKET, RADIO, NO.1
86212BRACKET, RADIO, NO.2
2738743090INSULATOR, TERMINAL
main27387-43090
9009905172
main90099-05172
9046315002
main90463-15002
9165160816
main91651-60816
9322915008
main93229-15008
12 parts on this diagram · 1 diagram in section